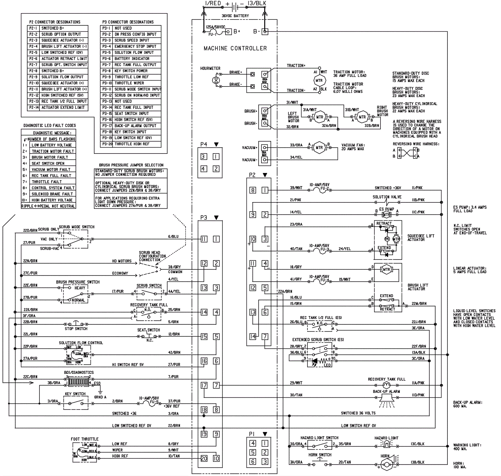
Electrical Schematic - between SN 10143033 and SN 10247589
Click to enlarge