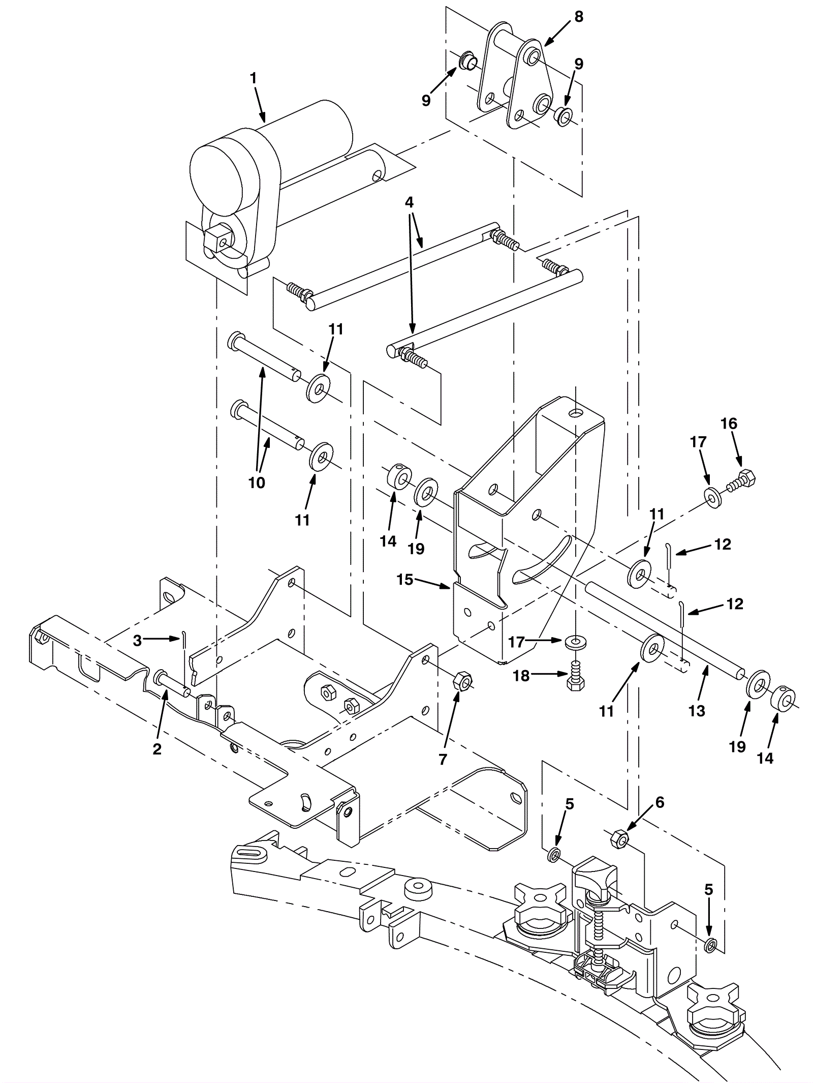
| # | Part | Description | Price | Req | Notes | Availability |
1 |
175-5219
|
Actuator 36V (OBSOLETE) |
$659.89
|
1 |
|
usually ships 1-5 days |
2 |
175-2111
|
Clevis pin |
$5.15
|
1 |
|
usually ships 10-13 days |
3 |
175-2113
|
Cotter pin |
$3.30
|
1 |
|
ships same day |
4 |
175-5220
|
Balljoint link 3/8-24 |
$51.70
|
2 |
|
usually ships 10-13 days |
5 |
175-3454
|
Spacer stainless steel |
$5.50
|
2 |
|
usually ships 10-13 days |
6 |
175-3455
|
Nut 3/8-24 hex lock |
$4.88
|
2 |
|
usually ships 10-13 days |
7 |
175-3322
|
Nut 3/8-24 hex lock |
$5.94
|
2 |
|
usually ships 10-13 days |
8 |
175-3450
|
Actuator pivot weldment |
$124.74
|
1 |
|
usually ships 10-13 days |
9 |
175-3335
|
Flanged bushing |
$16.94
|
2 |
|
usually ships 10-13 days |
10 |
175-3280
|
Clevis pin |
$6.49
|
2 |
|
usually ships 10-13 days |
11 |
999-0114
|
Washer 1/2 SAE flat |
$0.99
|
4 |
|
ships same day |
12 |
175-2106
|
Cotter hair pin |
$4.49
|
2 |
|
ships same day |
13 |
175-3451
|
Squeegee lift rod |
$22.77
|
1 |
|
usually ships 10-13 days |
14 |
175-3452
|
Locking collar |
$12.43
|
2 |
|
usually ships 10-13 days |
15 |
175-5221
|
Squeegee linkage guide weldment |
$147.62
|
1 |
|
usually ships 10-13 days |
16 |
999-0499
|
Bolt M8-1.25 x 20mm hex head full thread stainless steel |
$1.85
|
2 |
|
ships same day |
17 |
999-0355
|
Washer 3/8 x 7/8 SAE flat stainless steel |
$0.99
|
3 |
|
ships same day |
18 |
999-0499
|
Bolt M8-1.25 x 20mm hex head full thread stainless steel |
$1.85
|
1 |
|
ships same day |
19 |
999-0566
|
Washer 1/2 flat nylon |
$0.99
|
2 |
|
ships same day |