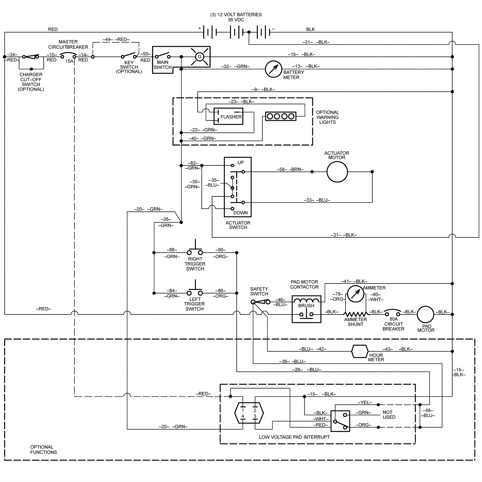
Wiring Diagram - Push
Click to enlarge