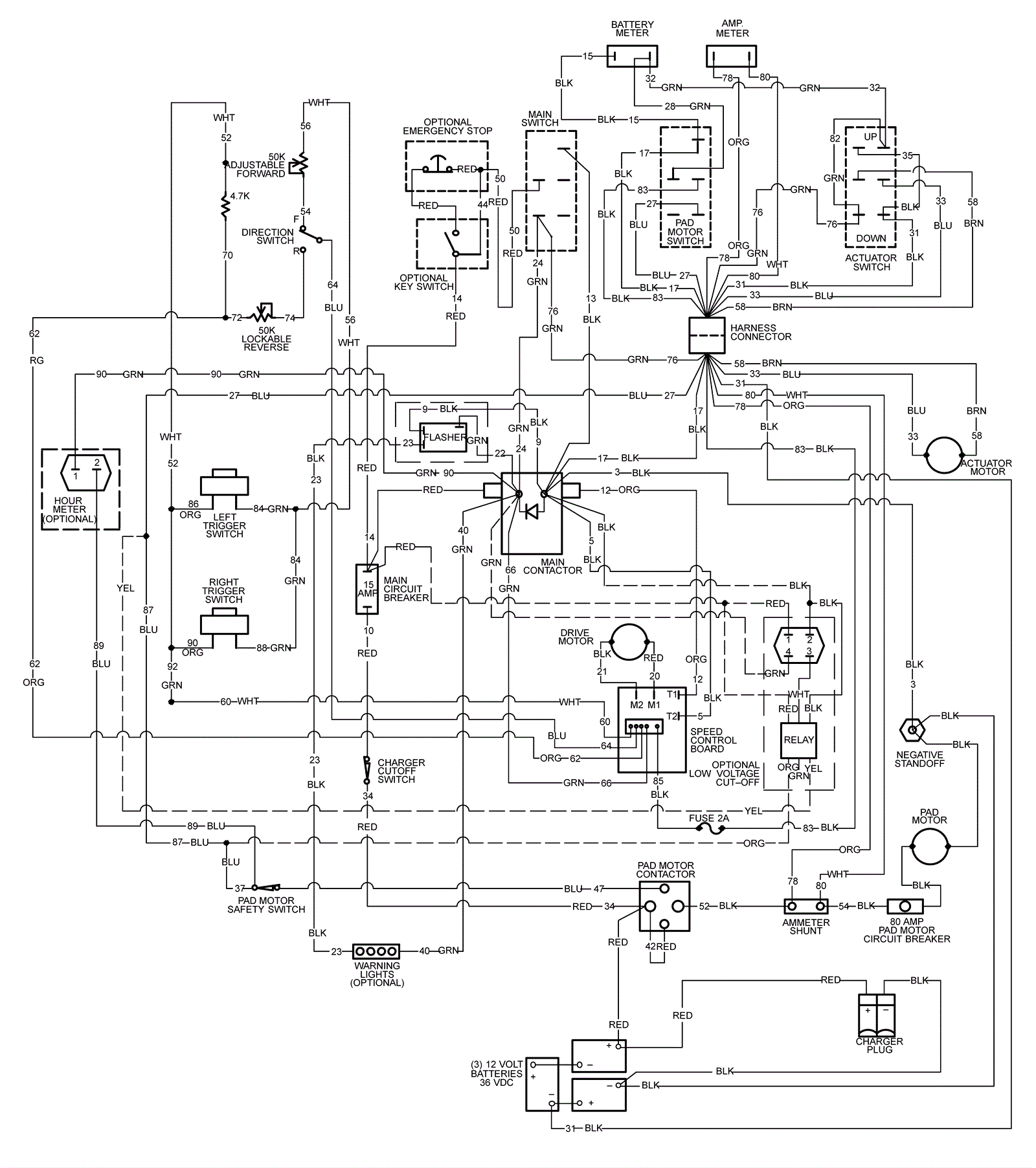
Wiring Diagram - Drive
Click to enlarge