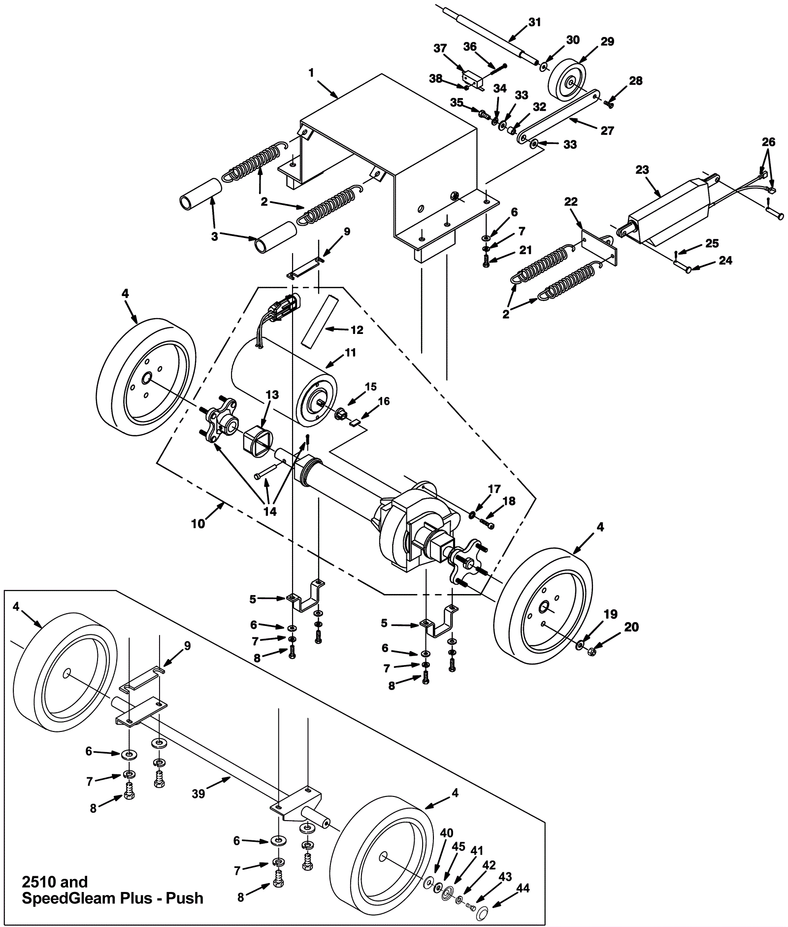
| # | Part | Description | Price | Req | Notes | Availability |
1 |
175-1166
|
Frame weldment |
$562.43
|
1 |
|
usually ships 10-13 days |
2 |
175-0943
|
Extension spring |
$11.66
|
4 |
|
usually ships 10-13 days |
3 |
175-1172
|
Sleeve (OBSOLETE) |
$10.89
|
2 |
|
usually ships 10-13 days |
4a |
175-3017
|
Neoprene solid wheel |
$282.81
|
2 |
(2550 and SpeedGleam Plus - drive) |
usually ships 10-13 days |
4b |
175-1072
|
8 inch wheel |
$152.79
|
2 |
(2510 and SpeedGleam Plus - push) |
usually ships 10-13 days |
4c |
175-1118
|
Bearing (OBSOLETE) |
$15.73
|
4 |
(2510 and SpeedGleam Plus - push) |
usually ships 10-13 days |
5 |
175-3020
|
Transaxle mounting bracket |
$21.52
|
2 |
(2550 and SpeedGleam Plus - drive) |
ships same day |
6 |
999-0617
|
Washer 3/8 x 1 flat stainless steel |
$1.82
|
6 |
|
ships same day |
7 |
999-1081
|
Washer M10 split lock stainless steel |
$1.09
|
6 |
|
ships same day |
8a |
999-9081
|
Screw M10-1.5 x 65mm hex head stainless steel |
$2.99
|
4 |
(2550 and SpeedGleam Plus - drive) |
ships same day |
8b |
999-9081
|
Screw M10-1.5 x 65mm hex head stainless steel |
$2.99
|
4 |
(2510 and SpeedGleam Plus - push) |
ships same day |
9 |
175-1170
|
Spacer |
$22.22
|
1 |
|
usually ships 1-5 days |
10 |
175-4374
|
36V transaxle assembly |
$2,472.58
|
1 |
(includes 11-17a, 18) (drive) |
usually ships 10-13 days |
11 |
275-0635
|
Transaxle motor |
$712.80
|
1 |
(includes 12) (drive) |
usually ships 10-13 days |
12 |
175-7898
|
Carbon brush (pkg of 4) |
$71.50
|
2 |
(2550 and SpeedGleam Plus - drive) |
usually ships 10-13 days |
13 |
175-3660
|
Transaxle sleeve |
$11.11
|
2 |
(2550 and SpeedGleam Plus - drive) |
usually ships 10-13 days |
14a |
275-5229
|
Transaxle wheel hub with retainer |
$147.29
|
2 |
(2550 and SpeedGleam Plus - drive) |
usually ships 10-13 days |
14b |
997-2500
|
Cotter pin |
$0.99
|
1 |
|
ships same day |
14c |
202-0805
|
Clevis pin |
$5.50
|
1 |
|
usually ships 8-13 days |
15 |
175-3655
|
Transaxle coupling |
$10.78
|
1 |
(2550 and SpeedGleam Plus - drive) |
usually ships 10-13 days |
16 |
175-3656
|
Transaxle key |
$11.00
|
1 |
(2550 and SpeedGleam Plus - drive) |
usually ships 10-13 days |
17 |
999-0238
|
Washer 1/4 internal star lock zinc plated |
$0.99
|
2 |
(2550 and SpeedGleam Plus - drive) |
ships same day |
18a |
999-1320
|
Screw M6-1 x 20mm socket head stainless steel |
$0.99
|
2 |
(before SN 10206962) (2550 and SpeedGleam Plus - drive) |
ships same day |
18b |
999-0320
|
Screw 1/4-20 x 3/4 socket head alloy plain finish |
$0.99
|
2 |
(before SN 10206962) |
ships same day |
19 |
999-0016
|
Washer 1/4 flat plain finish |
$0.99
|
8 |
(2550 and SpeedGleam Plus - drive) |
ships same day |
20 |
999-1201
|
Nut 1/4-28 nylon insert lock hex stainless steel |
$0.99
|
8 |
(2550 and SpeedGleam Plus - drive) |
ships same day |
21 |
999-1170
|
Bolt M10-1.5 x 20mm hex head stainless steel |
$3.06
|
2 |
|
ships same day |
22 |
175-1174
|
Bracket |
$79.42
|
1 |
|
usually ships 10-13 days |
23 |
175-3010
|
Actuator |
$514.36
|
1 |
|
usually ships 10-13 days |
24 |
175-3012
|
Clevis pin |
$8.25
|
2 |
|
usually ships 10-13 days |
25 |
175-5080
|
Cotter pin |
$4.49
|
2 |
|
ships same day |
26 |
175-0142
|
1/4 inch male terminal |
$5.28
|
2 |
|
ships same day |
27 |
175-1175
|
Pivot arm |
$55.77
|
2 |
|
usually ships 10-13 days |
28 |
999-1422
|
Screw M6-1 x 16mm flat head zinc plated |
$2.26
|
2 |
|
ships same day |
29a |
175-0292
|
4 inch rear wheel (gray) |
$41.47
|
2 |
(OEM) |
usually ships 10-13 days |
29b |
991-1913
|
4 inch wheel (gray) |
$21.98
|
2 |
(NON-OEM) |
ships same day |
30 |
999-0559
|
Washer 1/2 x 1/4 flat stainless steel |
$0.99
|
2 |
|
ships same day |
31 |
175-1177
|
Rear axle |
$72.60
|
1 |
|
usually ships 10-13 days |
32 |
175-2731
|
Bushing |
$8.14
|
2 |
|
usually ships 10-13 days |
33 |
999-0617
|
Washer 3/8 x 1 flat stainless steel |
$1.82
|
4 |
|
ships same day |
34 |
999-0034
|
Washer 3/8 split lock plain finish |
$1.82
|
2 |
|
ships same day |
35 |
999-0038
|
Bolt 3/8-16 x 1 hex head grade 5 zinc plated |
$1.87
|
2 |
|
ships same day |
36 |
999-0511
|
Screw 6-32 x 1 pan head phillips zinc plated |
$0.99
|
2 |
|
ships same day |
37 |
675-9886
|
Snap switch |
$15.84
|
1 |
|
ships same day |
38 |
999-0144
|
Nut 6-32 k-lock zinc plated |
$0.99
|
2 |
|
ships same day |
39 |
175-1262
|
Axle weldment |
$207.46
|
1 |
(2510 and SpeedGleam Plus - push) |
usually ships 1-5 days |
40 |
999-0187
|
Washer 1/2 flat plain finish |
$0.99
|
2 |
(2510 and SpeedGleam Plus - push) |
ships same day |
41 |
175-1095
|
Washer |
$5.15
|
2 |
(2510 and SpeedGleam Plus - push) |
usually ships 10-13 days |
42 |
999-0553
|
Washer 5/16 medium split lock stainless steel |
$0.99
|
2 |
(2510 and SpeedGleam Plus - push) |
ships same day |
43 |
999-0784
|
Screw M8-1.25 x 16mm hex head stainless steel |
$1.74
|
2 |
(2510 and SpeedGleam Plus - push) |
ships same day |
44 |
175-1096
|
Wheel cap |
$4.49
|
2 |
(2510 and SpeedGleam Plus - push) |
usually ships 10-13 days |
45 |
999-0549
|
Washer 5/16 x 3/4 SAE flat stainless steel |
$0.99
|
2 |
(2510 and SpeedGleam Plus - push) |
ships same day |
N/S |
175-2113
|
Cotter pin |
$3.30
|
2 |
(2550) |
ships same day |
N/S |
999-0562
|
Bolt 3/8-16 x 1 hex head stainless steel |
$1.50
|
2 |
(2550) |
ships same day |
N/S |
999-0152
|
Nut 1/4-20 nylon insert lock zinc plated |
$0.99
|
8 |
(2550) |
ships same day |