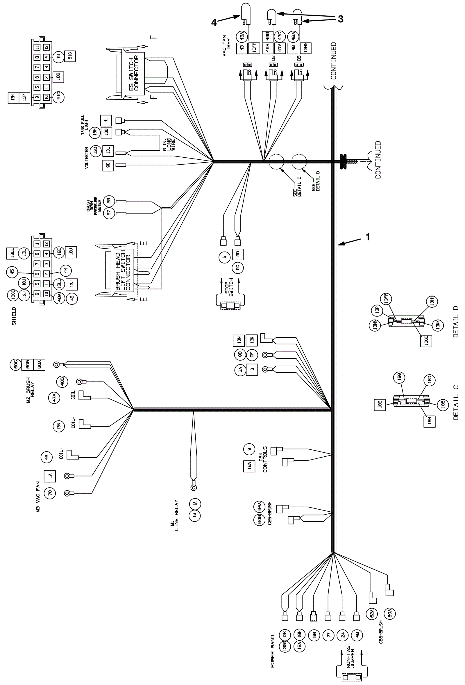
5700 SERIES
Main Wiring Assembly 1 - After SN 021999
Click to enlarge
#
Part
Description
Price
Req
Notes
Availability
1
275-0870
Main wiring harness
$665.39
1
usually ships 1-5 days
3
175-2216
Diode plug
$14.19
1
usually ships 10-13 days
4a
175-2581
Molded capacitor
$72.71
1
usually ships 1-5 days
4b
175-2582
Ribbon cable clamp
$5.28
1
usually ships 1-5 days