5700 SERIES
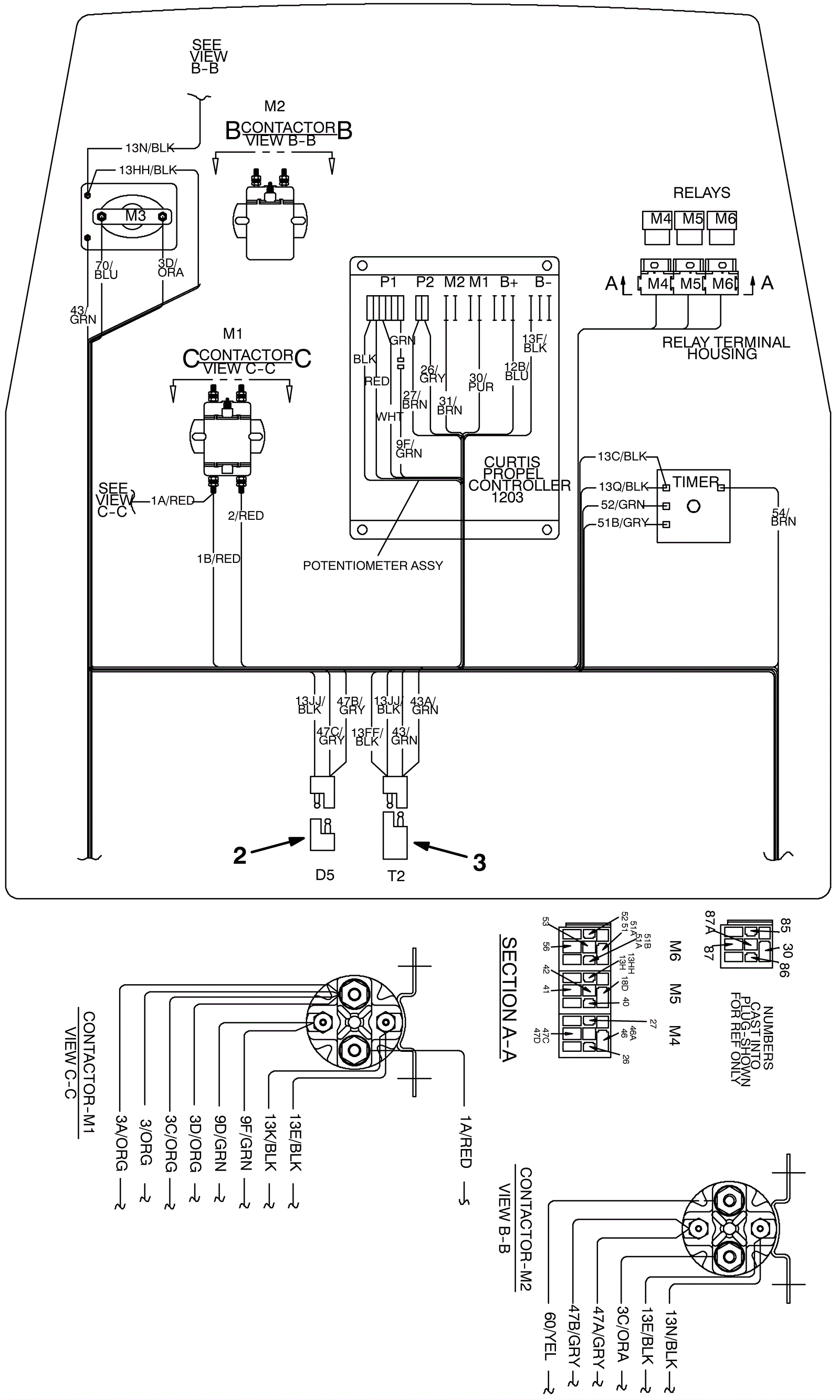
Main Wiring Assembly 3 - Before SN 022000
Click to enlarge
#
Part
Description
Price
Req
Notes
Availability
2
175-2216
Diode plug
$14.19
1
usually ships 10-13 days
3a
175-2581
Molded capacitor
$72.71
1
usually ships 1-5 days
3b
175-2582
Ribbon cable clamp
$5.28
1
usually ships 1-5 days