| # | Part | Description | Price | Req | Notes | Availability |
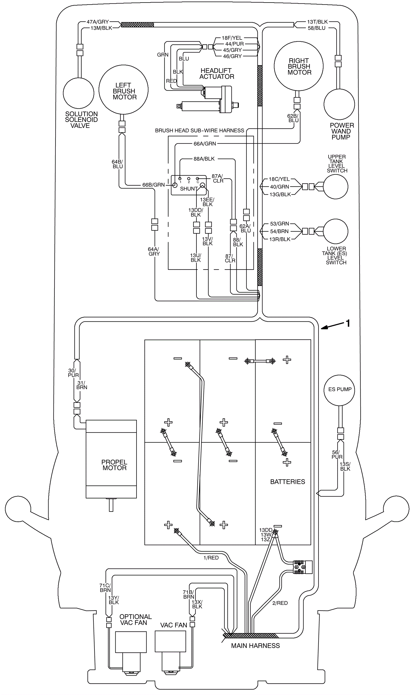
1a |
175-2579
|
Standard main wiring harness (OBSOLETE) |
$353.91
|
1 |
(before SN 07946) |
usually ships 1-5 days |
1b |
175-2580
|
Standard main wiring harness |
$351.60
|
1 |
(from SN 017946 to SN 021999) |
usually ships 1-5 days |