5680
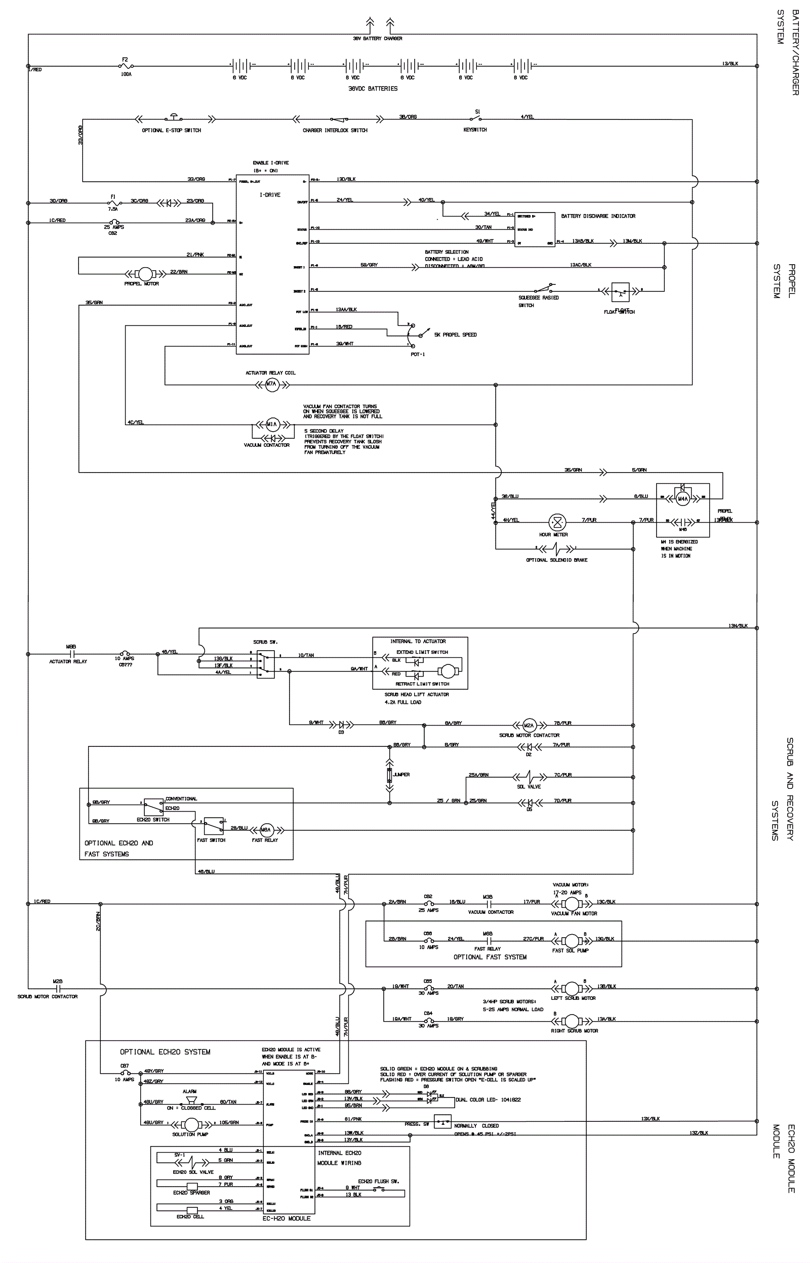
Wiring Diagram - Standard, FaST and ec-H2O - From SN 10714325 to SN 10740686
Click to enlarge
#
Part
Description
Price
Req
Notes
Availability
N/S
175-2216
Diode plug
$14.19
1
(FaST) (after SN 012929)
usually ships 10-13 days