| # | Part | Description | Price | Req | Notes | Availability |
1a |
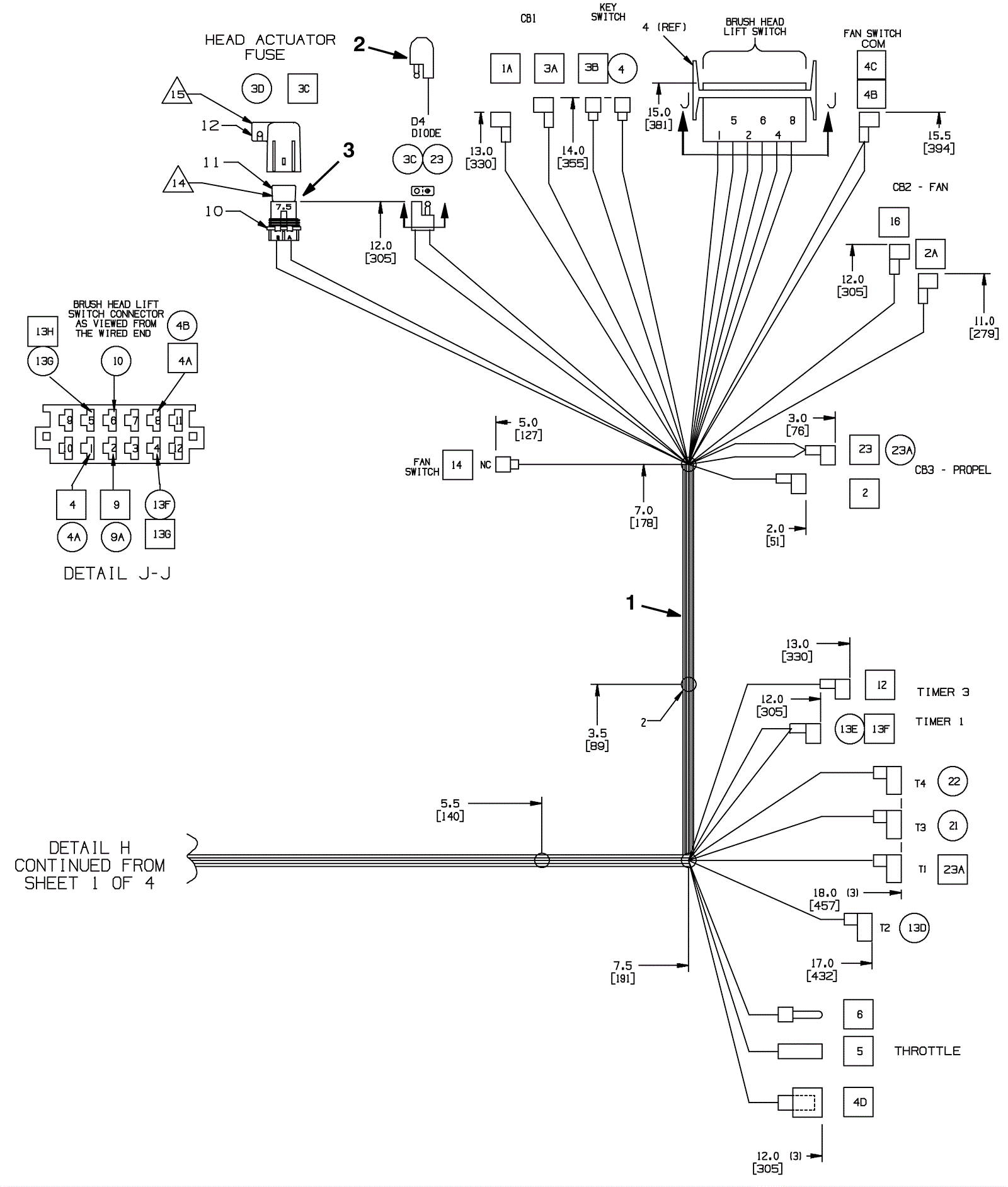
375-1159
|
Main harness |
$541.42
|
1 |
|
ships same day |
1b |
175-2215
|
Main wiring harness |
$539.55
|
1 |
|
usually ships 1-5 days |
1c |
275-1180
|
Main wiring harness |
$548.46
|
1 |
|
usually ships 10-13 days |
2a |
175-2216
|
Diode plug |
$14.19
|
5 |
|
usually ships 10-13 days |
2b |
175-2582
|
Ribbon cable clamp |
$5.28
|
2 |
|
usually ships 1-5 days |
3 |
175-7875
|
7.5amp fuse |
$4.88
|
1 |
|
usually ships 10-13 days |
N/S |
999-9092
|
Screw M8-1.25 x 20mm hex head stainless steel |
$2.79
|
2 |
|
ships same day |