5700 SERIES
Wiring Harness Assembly - FaST
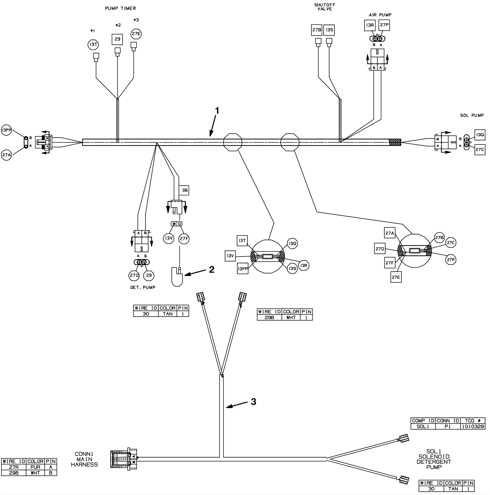
Click to enlarge
#
Part
Description
Price
Req
Notes
Availability
1
275-6368
FaST wiring harness
$118.14
1
usually ships 1-5 days
2
175-2216
Diode plug
$14.19
1
usually ships 10-13 days
3
275-6369
Adaptor harness
$25.08
1
usually ships 1-5 days