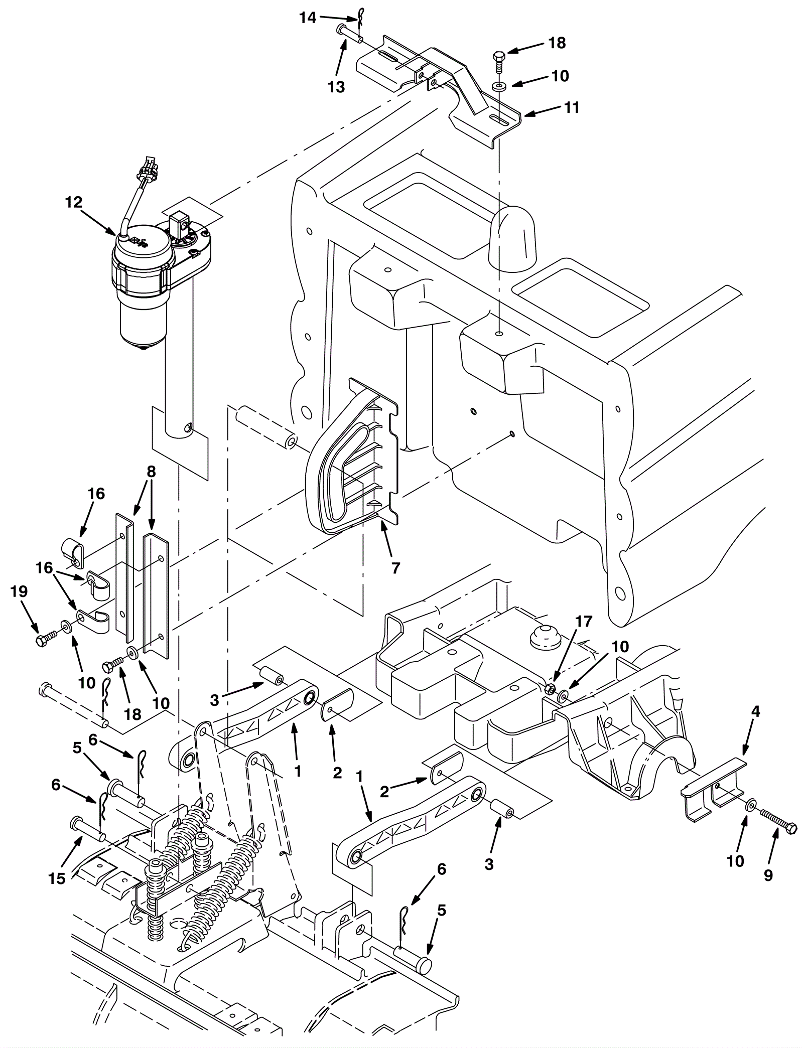
| # | Part | Description | Price | Req | Notes | Availability |
1 |
175-2102
|
Scrub head lifting arm |
$53.46
|
2 |
|
usually ships 10-13 days |
2 |
175-2103
|
Lifting arm spacer |
$20.46
|
2 |
|
usually ships 10-13 days |
3 |
175-2104
|
Sleeve |
$6.27
|
2 |
|
usually ships 10-13 days |
4 |
175-2378
|
Tank support bracket |
$34.10
|
1 |
|
usually ships 1-5 days |
5 |
175-2105
|
Clevis pin |
$7.37
|
2 |
|
ships same day |
6 |
175-2106
|
Cotter hair pin |
$4.49
|
3 |
|
ships same day |
7 |
175-2107
|
Roller guide bracket |
$49.83
|
1 |
|
usually ships 1-5 days |
8 |
175-2379
|
Roller guide bracket |
$24.86
|
2 |
|
usually ships 1-5 days |
9 |
999-0788
|
Screw M8-1.25 x 55mm hex head stainless steel |
$1.54
|
2 |
|
ships same day |
10 |
999-0355
|
Washer 3/8 x 7/8 SAE flat stainless steel |
$0.99
|
9 |
|
ships same day |
11 |
175-2380
|
Actuator mounting bracket |
$123.09
|
1 |
|
usually ships 1-5 days |
12a |
175-2381
|
Actuator |
$642.62
|
1 |
|
usually ships 10-13 days |
12b |
175-2381
|
Actuator |
$642.62
|
1 |
|
usually ships 10-13 days |
13 |
175-2111
|
Clevis pin |
$5.15
|
1 |
|
usually ships 10-13 days |
14 |
175-2113
|
Cotter pin |
$3.30
|
1 |
|
ships same day |
15 |
175-2382
|
Clevis pin |
$5.50
|
1 |
|
usually ships 10-13 days |
16 |
175-2108
|
P clamp |
$5.15
|
3 |
|
usually ships 1-5 days |
17 |
999-0496
|
Nut M8-1.25 nylon insert lock stainless steel |
$1.34
|
2 |
|
ships same day |
18a |
999-0499
|
Bolt M8-1.25 x 20mm hex head full thread stainless steel |
$1.85
|
6 |
|
ships same day |
18b |
999-0501
|
Bolt M8-1.25 x 25mm hex head full thread stainless steel |
$2.64
|
2 |
|
ships same day |
19 |
999-0783
|
Screw M8-1.25 x 16mm hex head |
$0.99
|
1 |
|
ships same day |