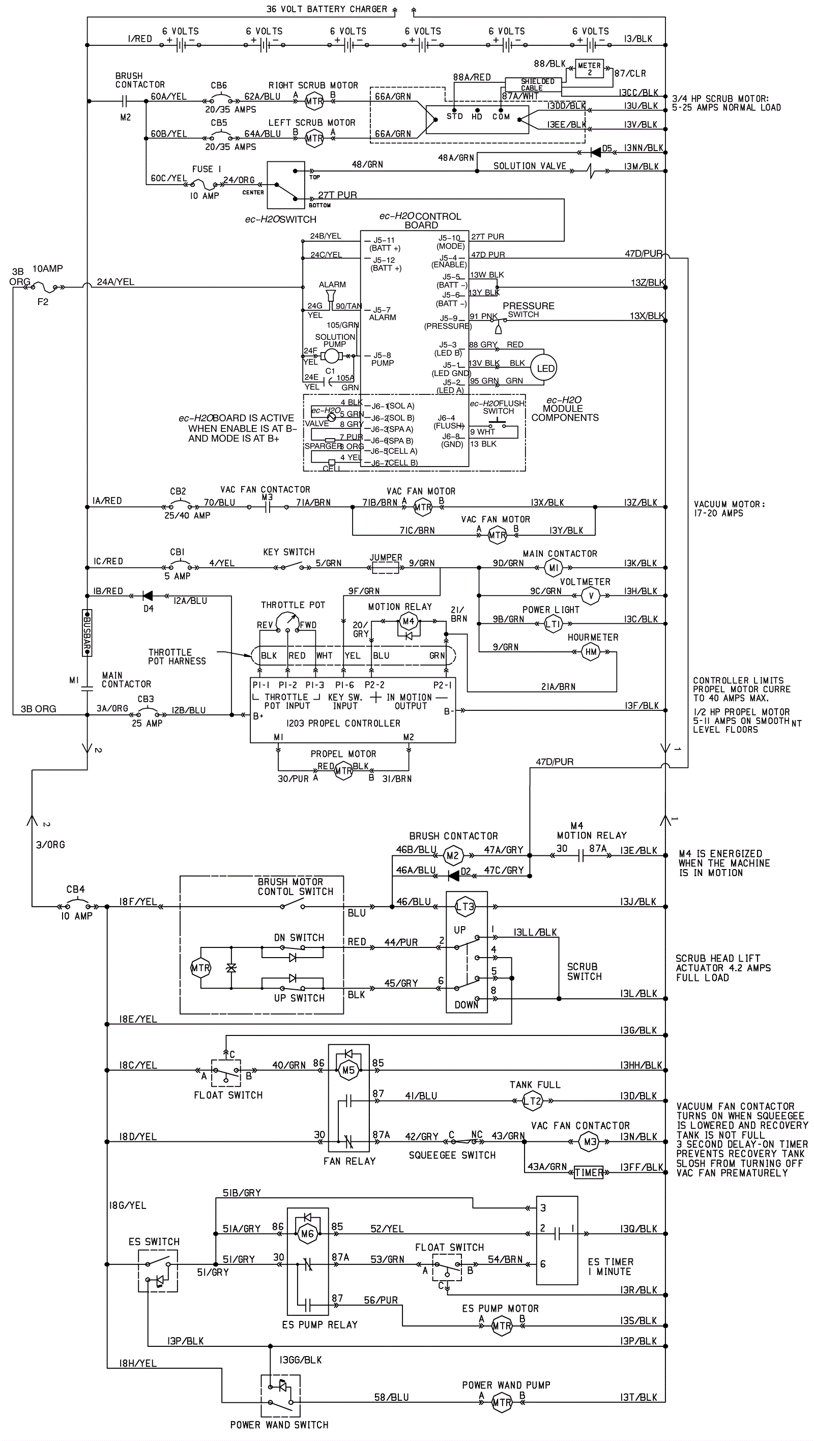
Wiring Diagram - ec-H2O
Click to enlarge