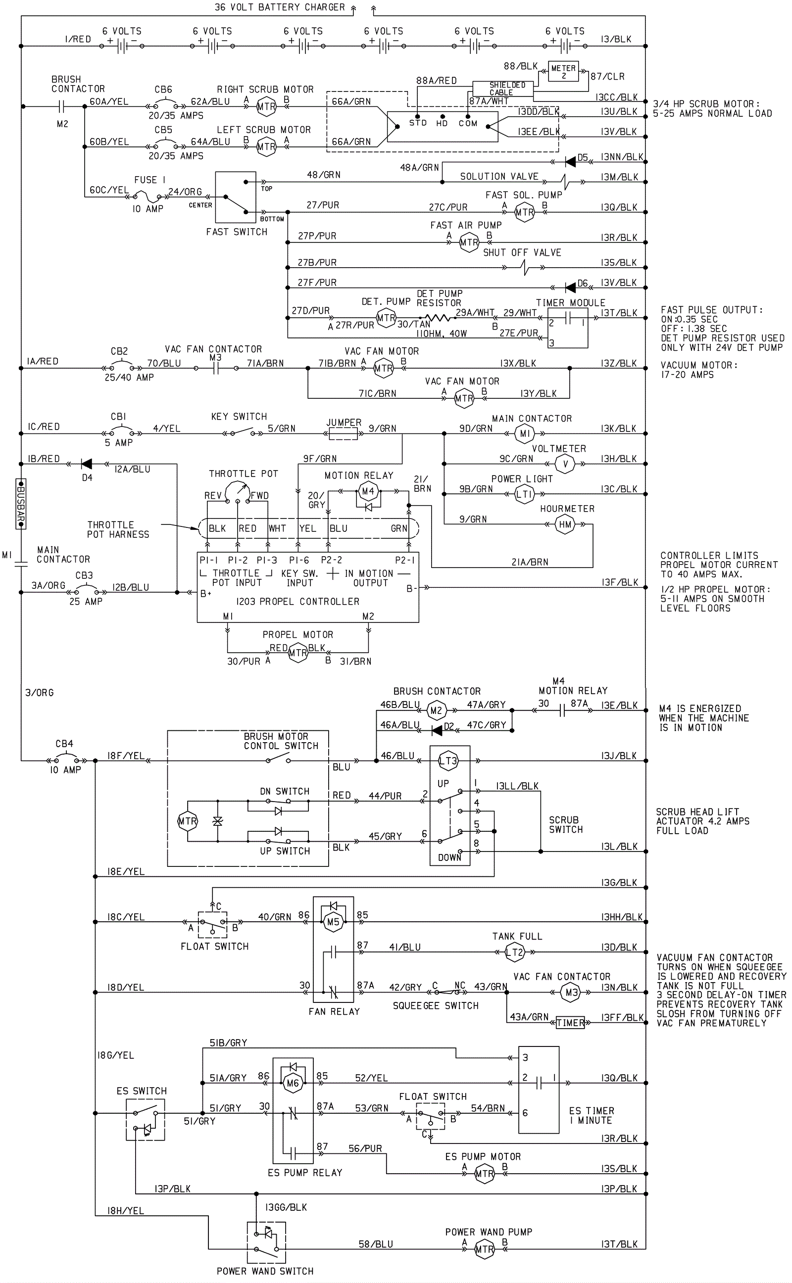
Wiring Diagram - After SN 0021999
Click to enlarge