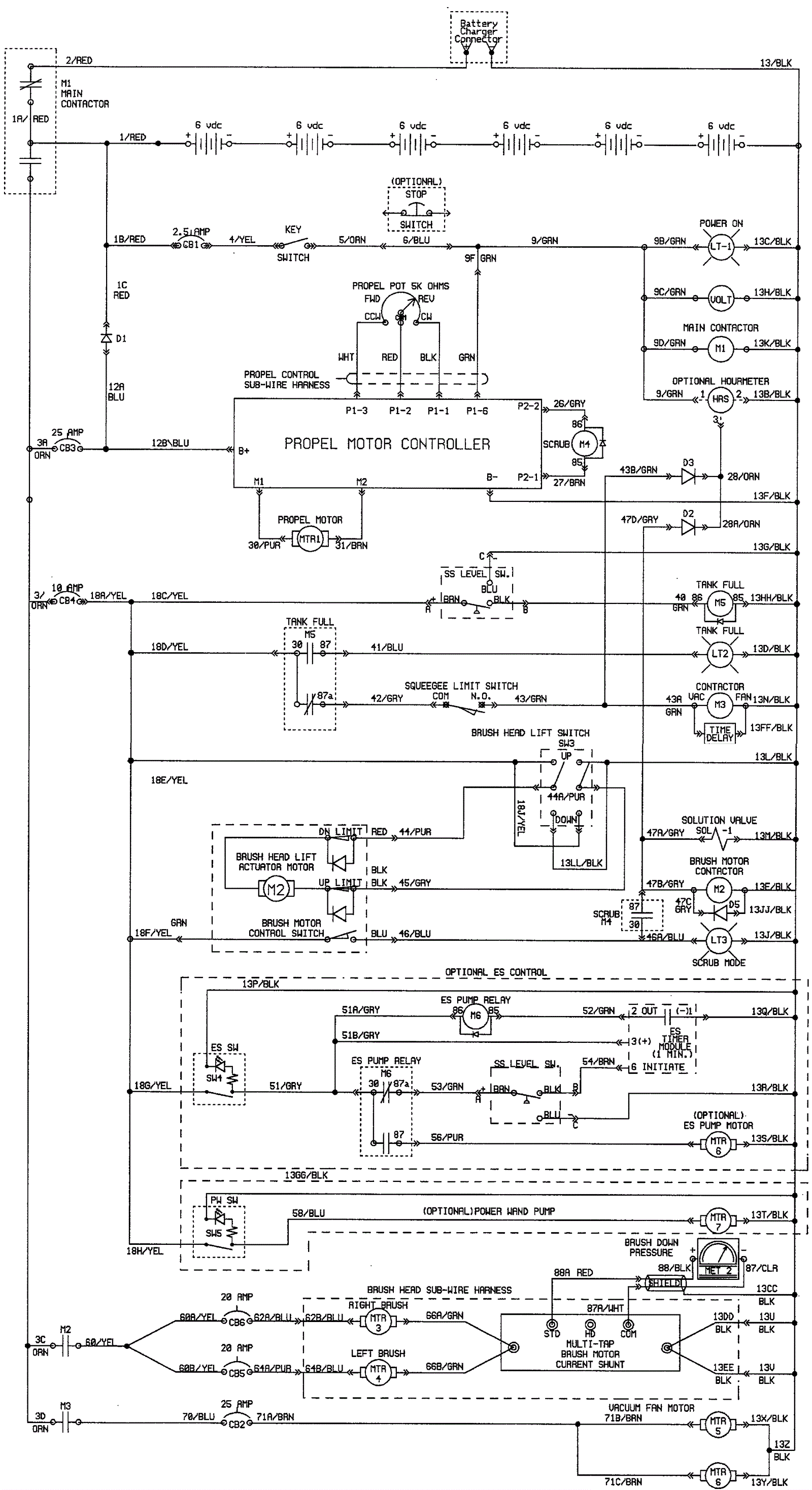
Wiring Diagram - Before SN 022000
Click to enlarge