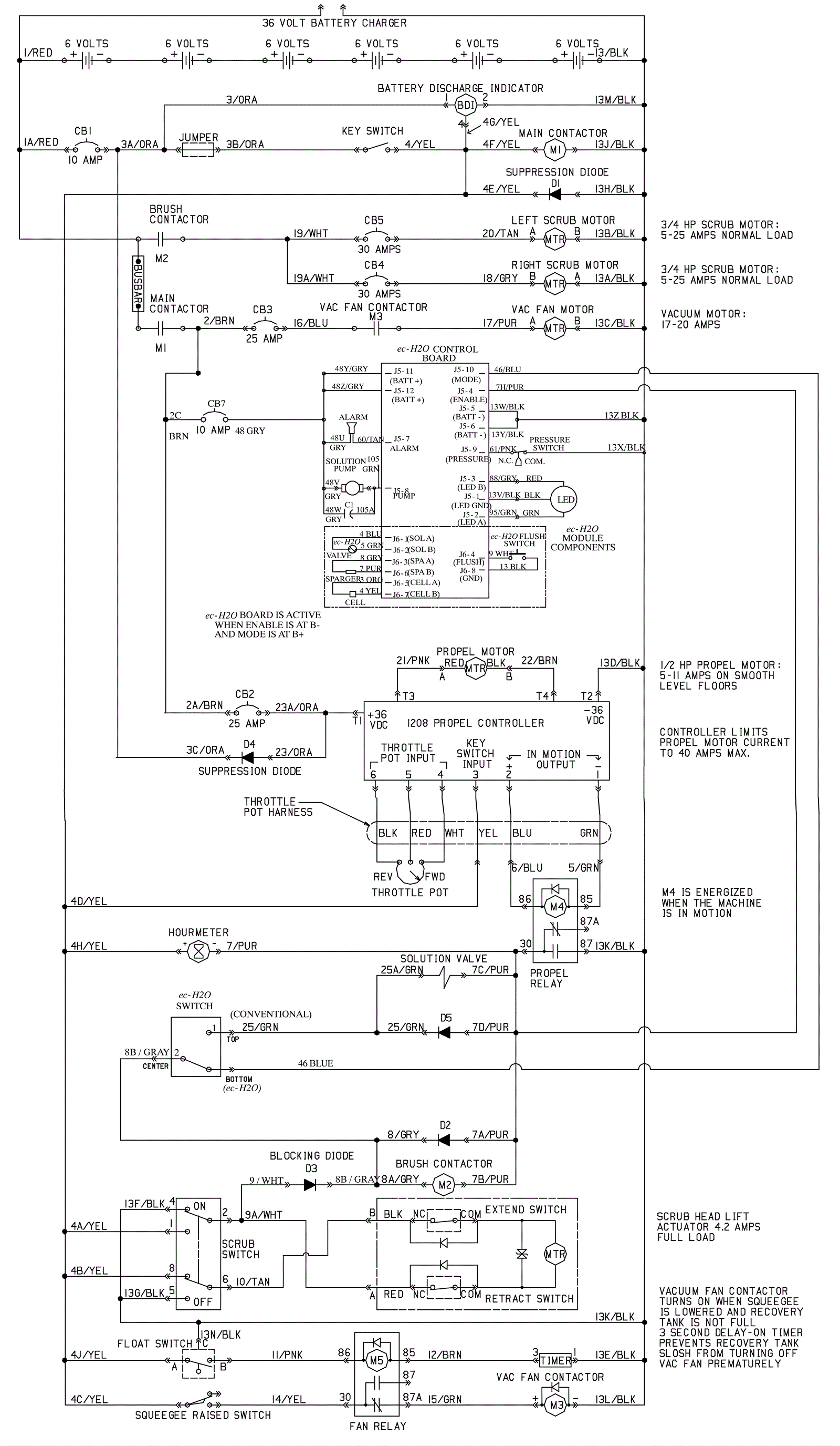
Wiring Diagram - ec-H2O - Before SN 10551746
Click to enlarge