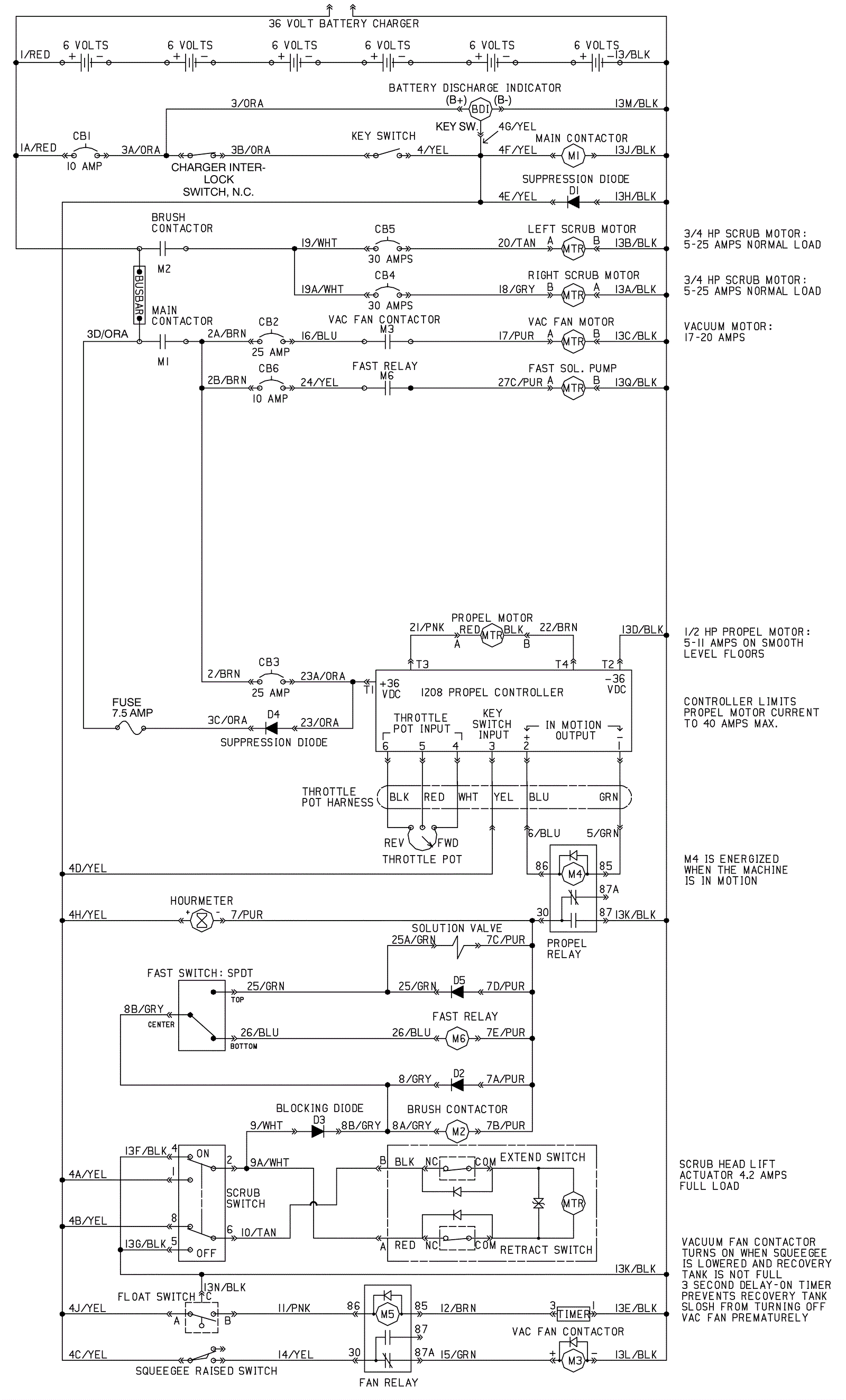
Wiring Diagram - Standard and FaST - From SN 10551746 to SN 10705714
Click to enlarge