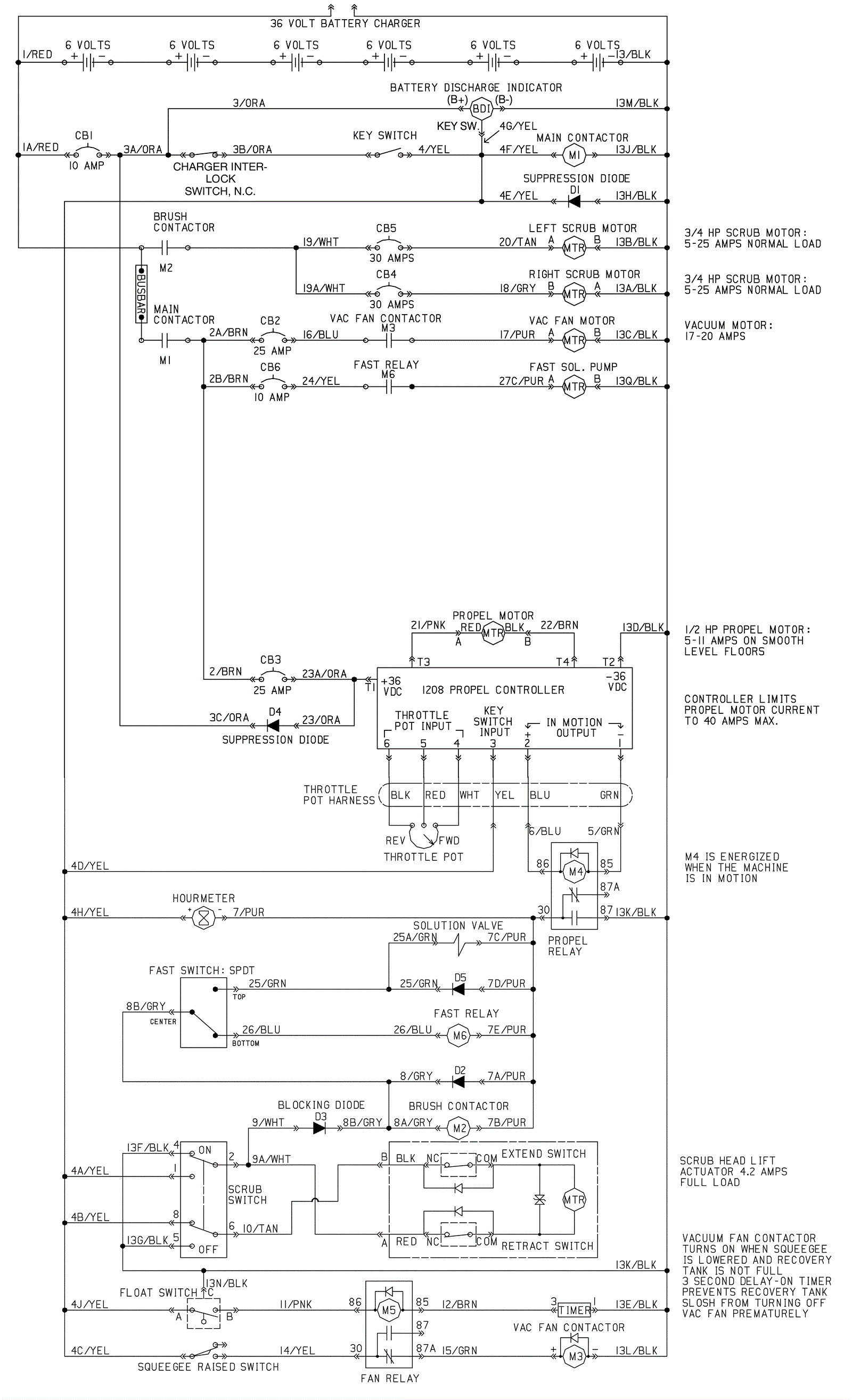
Wiring Diagram - Standard and FaST - From SN 10361690 to SN 10551745
Click to enlarge