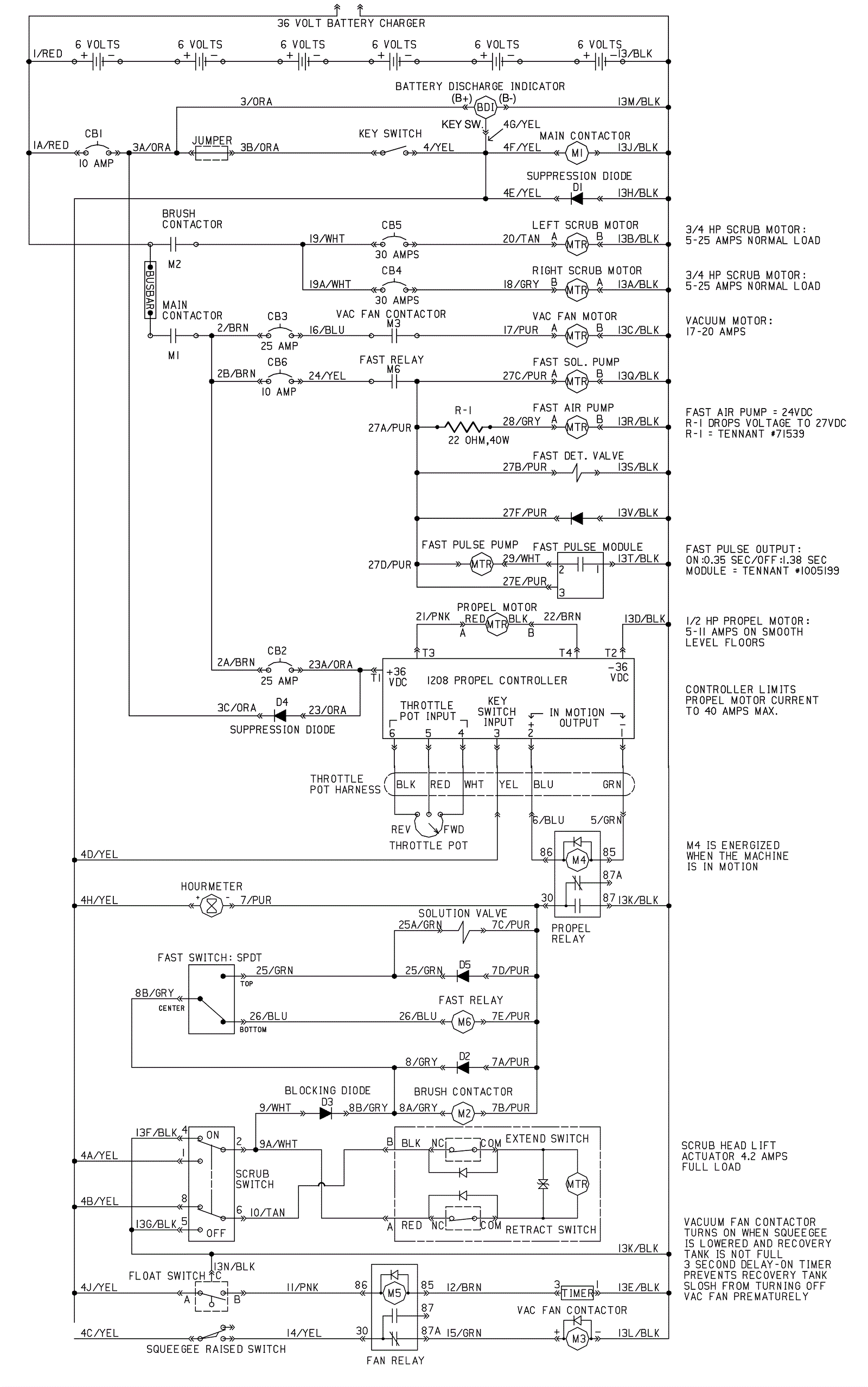
Wiring Diagram - Before SN 10361690
Click to enlarge