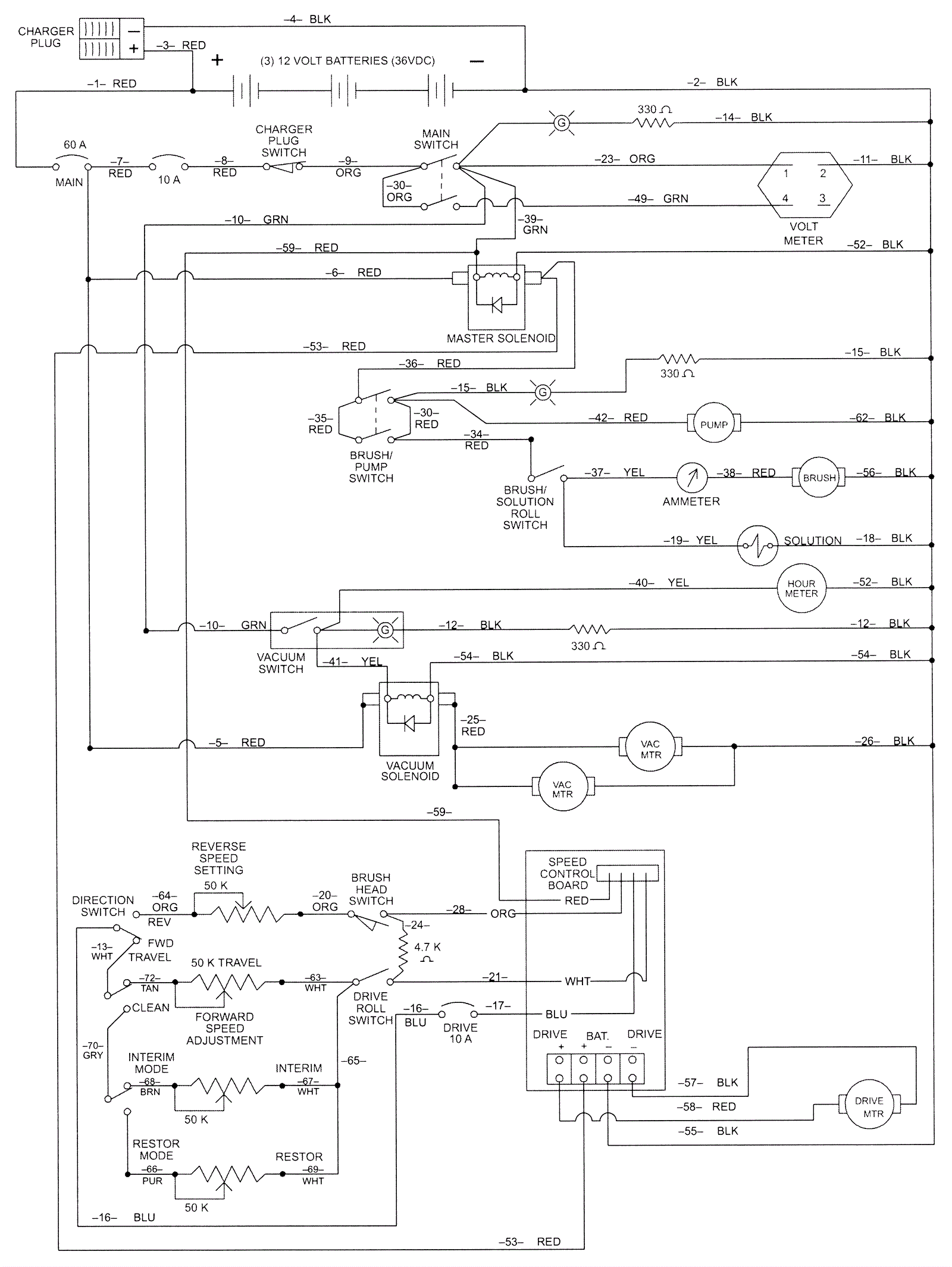
Wiring Assembly 2
Click to enlarge