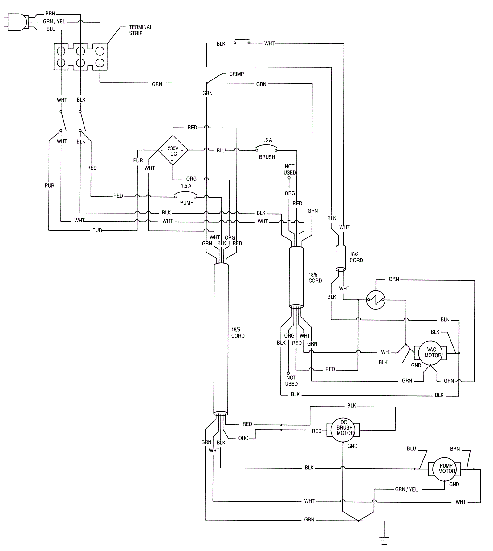
Electrical Diagrams 220V/230V Wiring Diagram
Click to enlarge