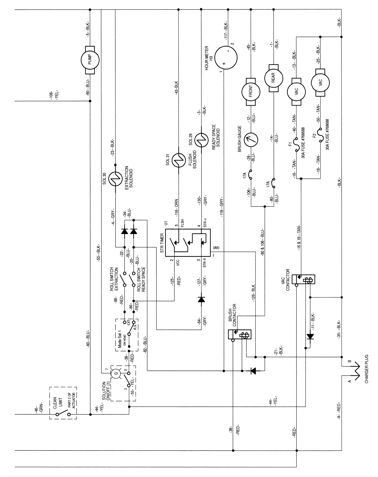
Ladder Diagram - 2
Click to enlarge