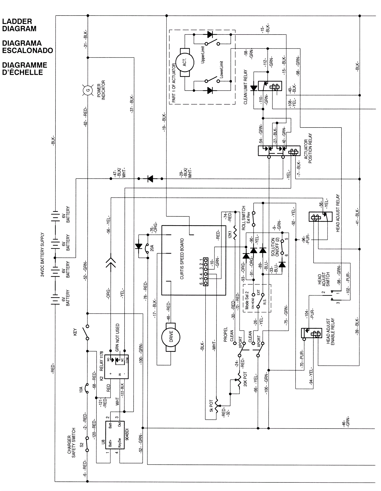
Ladder Diagram - 1
Click to enlarge