| # | Part | Description | Price | Req | Notes | Availability |
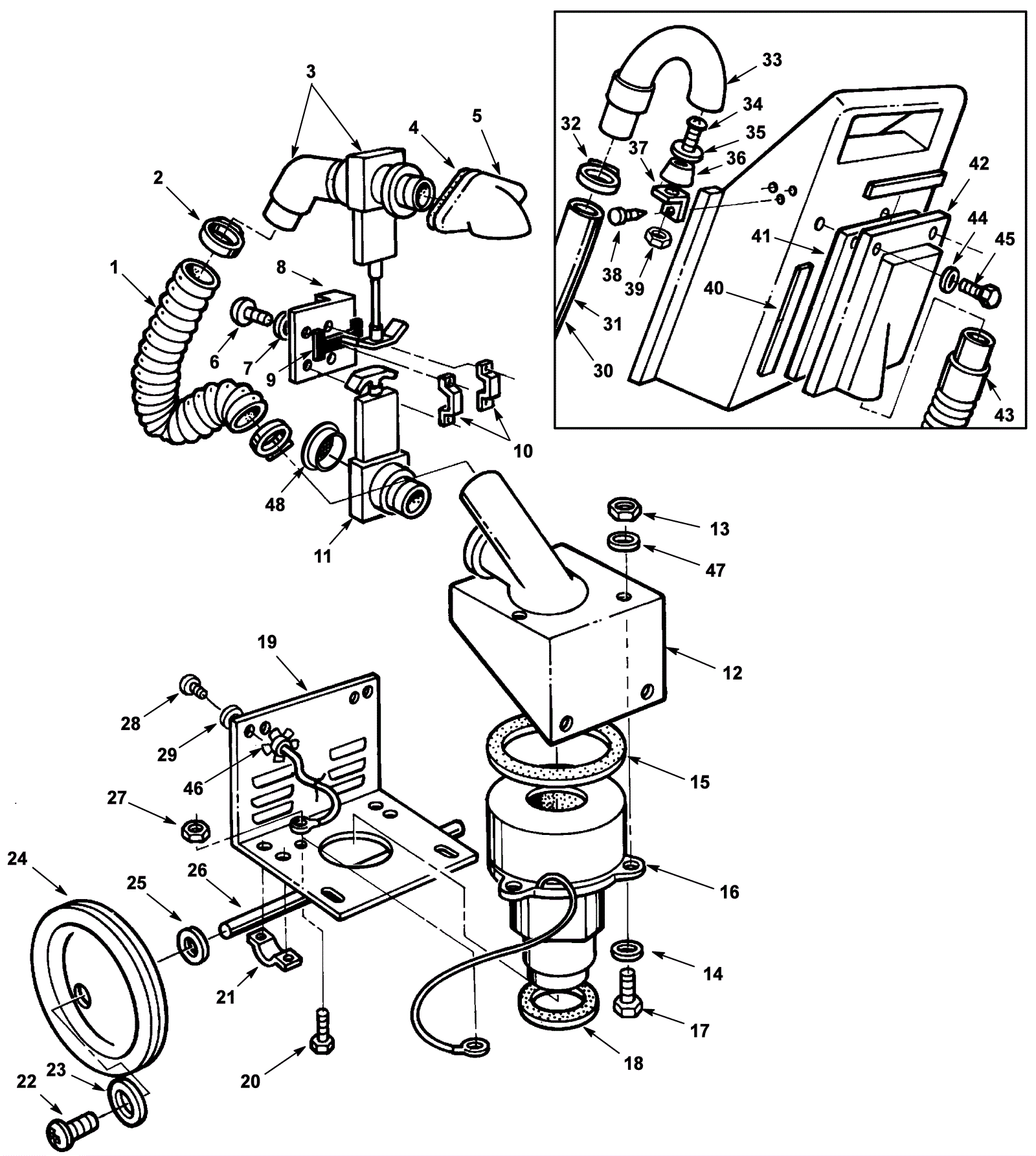
1 |
175-1578
|
Vacuum hose 2 x 13 inch |
$20.57
|
1 |
|
usually ships 10-13 days |
2 |
175-2057
|
Hose clamp |
$6.27
|
2 |
|
usually ships 1-5 days |
3 |
175-1584
|
Gate valve |
$194.59
|
1 |
|
usually ships 10-13 days |
4 |
175-1575
|
Elbow gasket |
$6.38
|
1 |
|
usually ships 10-13 days |
5 |
175-1574
|
Vacuum tube elbow |
$64.24
|
1 |
|
usually ships 10-13 days |
6 |
999-0999
|
Screw 10-24 x 3/8 truss head phillips stainless steel |
$1.43
|
4 |
|
ships same day |
7 |
999-1026
|
Washer #10 internal lock stainless steel |
$0.99
|
4 |
|
ships same day |
8 |
175-1586
|
Air valve handle |
$19.80
|
1 |
|
usually ships 1-5 days |
9 |
175-1587
|
Spacer |
$10.67
|
1 |
|
usually ships 1-5 days |
10 |
175-5735
|
Air valve bracket |
$38.28
|
2 |
|
usually ships 10-13 days |
11 |
175-1594
|
Drain valve |
$59.51
|
1 |
|
usually ships 1-5 days |
12 |
175-5734
|
Vacuum motor mounting housing |
$187.00
|
1 |
|
usually ships 1-5 days |
13 |
999-0152
|
Nut 1/4-20 nylon insert lock zinc plated |
$0.99
|
3 |
|
ships same day |
14 |
999-0016
|
Washer 1/4 flat plain finish |
$0.99
|
3 |
|
ships same day |
15 |
175-6085
|
Gasket |
$10.89
|
1 |
|
ships same day |
16a |
175-1570
|
120V 2 stage vacuum motor tangential |
$495.88
|
1 |
|
usually ships 10-13 days |
16b |
275-5835
|
Carbon brush (pkg of 2) |
$34.32
|
1 |
|
usually ships 10-13 days |
17 |
999-0682
|
Bolt 1/4-20 x 3 1/2 hex head grade 5 zinc plated |
$1.06
|
3 |
|
ships same day |
18 |
175-1566
|
Vacuum motor gasket (OBSOLETE) |
$8.47
|
1 |
|
usually ships 10-13 days |
19 |
175-1565
|
Pump out cover plate (OBSOLETE) |
$196.90
|
1 |
(16 gallon model) |
usually ships 10-13 days |
20 |
999-1028
|
Screw 10-24 x 3/4 truss head phillips stainless steel |
$1.69
|
1 |
|
ships same day |
21 |
175-6098
|
Axle bracket |
$19.47
|
2 |
|
usually ships 10-13 days |
22 |
999-0821
|
Bolt 1/4-20 x 1/2 hex head grade 9 yellow zinc |
$0.99
|
2 |
|
ships same day |
23 |
999-1119
|
Washer 1/4 x 1 fender zinc plated |
$0.99
|
2 |
|
ships same day |
24 |
175-6096
|
Wheel |
$83.93
|
2 |
|
ships same day |
25 |
999-0187
|
Washer 1/2 flat plain finish |
$0.99
|
2 |
|
ships same day |
26 |
175-1561
|
Axle .5D X 19.17L [C-NOTE] |
$25.41
|
1 |
(16 gallon model) |
ships same day |
27 |
999-0356
|
Nut 10-24 lock stainless steel |
$0.99
|
3 |
|
ships same day |
28 |
999-0821
|
Bolt 1/4-20 x 1/2 hex head grade 9 yellow zinc |
$0.99
|
6 |
|
ships same day |
29 |
999-0016
|
Washer 1/4 flat plain finish |
$0.99
|
6 |
|
ships same day |
30 |
175-7204
|
Drain hose assembly (OBSOLETE) |
$162.80
|
1 |
(includes 31-33) |
usually ships 10-13 days |
31 |
175-5736
|
Drain hose |
$102.85
|
1 |
|
ships same day |
32 |
997-2007
|
Hose clamp |
$2.07
|
1 |
|
ships same day |
33 |
175-5737
|
1 1/2 inch PVC downspout (OBSOLETE) |
$75.57
|
1 |
|
usually ships 10-13 days |
34 |
999-1195
|
Screw 10-24 x 1 1/4 round head phillips zinc plated |
$0.99
|
1 |
|
ships same day |
35 |
999-0393
|
Washer 3/16 flat aluminum |
$0.99
|
1 |
|
ships same day |
36 |
175-5737
|
1 1/2 inch PVC downspout (OBSOLETE) |
$75.57
|
1 |
|
usually ships 10-13 days |
37 |
175-5739
|
Drain hose bracket |
$45.32
|
1 |
|
usually ships 10-13 days |
38 |
999-0447
|
Screw 6-32 x 1/2 pan head phillips zinc plated |
$0.99
|
3 |
|
ships same day |
39 |
999-1482
|
Nut 3/8-16 nylon lock stainless steel |
$1.06
|
1 |
|
ships same day |
40 |
175-5741
|
Bumper tape (TENNANT INDUSTRIAL) |
$60.45
|
1 |
(3.2 feet) |
usually ships 1-5 days |
41 |
175-5740
|
Foam filter |
$11.88
|
1 |
|
usually ships 10-13 days |
42 |
175-5744
|
Filter housing (green) |
$203.94
|
1 |
|
usually ships 1-5 days |
43a |
175-5742
|
Vacuum hose with cuff 1 1/2 x 16 inch (OBSOLETE) |
$41.47
|
1 |
|
usually ships 10-13 days |
43b |
175-2017
|
Inlet tube |
$66.66
|
1 |
|
usually ships 10-13 days |
44 |
999-0006
|
Washer 3/16 flat zinc plated |
$0.99
|
4 |
|
ships same day |
45 |
999-0400
|
Screw 10-24 x 1 pan head phillips zinc plated |
$0.99
|
4 |
|
ships same day |
46 |
175-6158
|
Nut 1/2 conduit |
$5.28
|
1 |
|
usually ships 10-13 days |
47 |
999-0016
|
Washer 1/4 flat plain finish |
$0.99
|
3 |
|
ships same day |
48 |
175-5743
|
Valve gate screen |
$12.32
|
1 |
|
usually ships 1-5 days |