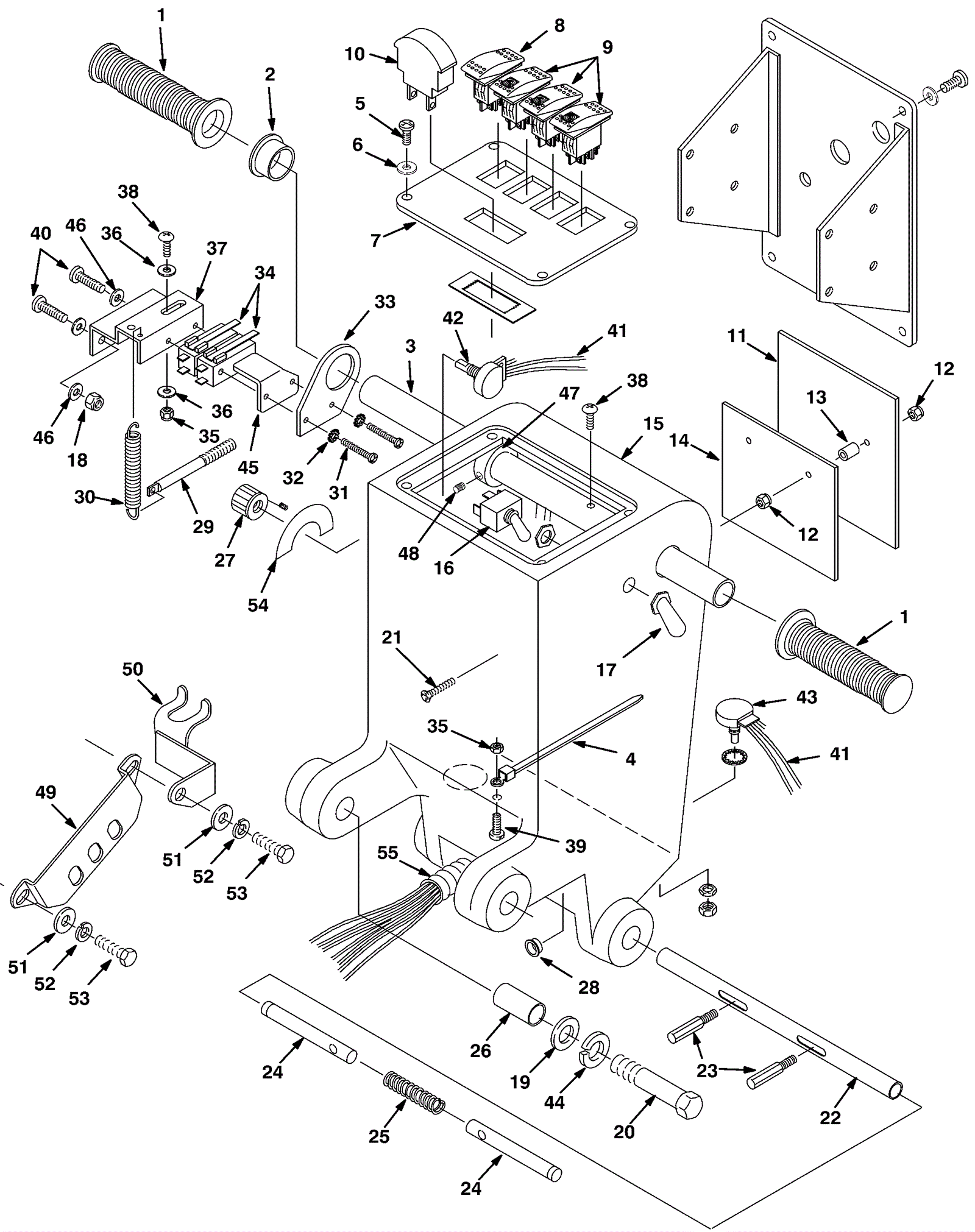
| # | Part | Description | Price | Req | Notes | Availability |
1a |
675-9894
|
Handle grip |
$5.41
|
2 |
|
ships same day |
1b |
991-8571
|
Handle grip |
$4.04
|
2 |
|
usually ships 18-24 days |
2 |
175-3093
|
Flanged bushing |
$5.28
|
1 |
|
usually ships 10-13 days |
3 |
175-3094
|
Handle tube |
$88.88
|
1 |
|
usually ships 10-13 days |
4 |
175-3123
|
Cable tie |
$5.28
|
1 |
|
usually ships 1-5 days |
5 |
999-1090
|
Screw M5-.8 x 10mm pan head phillips zinc plated |
$0.99
|
4 |
|
ships same day |
6 |
999-1026
|
Washer #10 internal lock stainless steel |
$0.99
|
4 |
|
ships same day |
7 |
175-7322
|
Control panel with silkscreen |
$101.42
|
1 |
|
usually ships 1-5 days |
8 |
175-4822
|
Rocker switch |
$44.66
|
1 |
|
usually ships 10-13 days |
9 |
175-3098
|
Lighted on/off rocker switch |
$35.97
|
3 |
|
usually ships 10-13 days |
10 |
175-2691
|
Battery voltage meter |
$91.30
|
1 |
|
usually ships 10-13 days |
11 |
175-3124
|
55amp speed control board |
$763.73
|
1 |
|
usually ships 10-13 days |
13 |
175-3100
|
Spacer |
$5.50
|
2 |
|
usually ships 1-5 days |
14 |
175-3101
|
Heat sink |
$17.71
|
1 |
|
usually ships 1-5 days |
15 |
175-4825
|
Control housing (teal) |
$249.15
|
1 |
|
usually ships 1-5 days |
16 |
175-3103
|
Toggle switch |
$66.44
|
1 |
|
ships same day |
17 |
175-3104
|
Switch boot |
$21.78
|
1 |
|
ships same day |
18 |
999-0497
|
Nut M6-1 nylon insert lock stainless steel |
$0.99
|
2 |
|
ships same day |
19 |
999-0559
|
Washer 1/2 x 1/4 flat stainless steel |
$0.99
|
2 |
|
ships same day |
20 |
999-0619
|
Screw 10-24 x 3/4 truss head slotted stainless steel |
$0.99
|
2 |
|
ships same day |
21 |
175-3107
|
Screw M4-.7 x 35mm flat head phillips |
$4.22
|
2 |
|
usually ships 10-13 days |
22 |
175-3108
|
Handle adjustment tube |
$73.37
|
1 |
|
usually ships 1-5 days |
23 |
175-2710
|
Handle adjustment pin |
$18.26
|
2 |
|
usually ships 1-5 days |
24 |
175-3109
|
Handle locking pin |
$22.77
|
2 |
|
usually ships 1-5 days |
25 |
175-2712
|
Spring |
$5.50
|
1 |
|
usually ships 1-5 days |
26 |
175-2714
|
Bushing |
$8.36
|
2 |
|
usually ships 1-5 days |
27 |
175-1163
|
Speed control knob |
$41.80
|
1 |
|
ships same day |
28 |
175-3111
|
Snap bushing |
$3.83
|
1 |
|
usually ships 1-5 days |
29 |
175-3112
|
Spring return pin |
$17.27
|
1 |
|
usually ships 10-13 days |
30 |
175-3113
|
Extension spring |
$5.50
|
1 |
|
usually ships 10-13 days |
31 |
999-1157
|
Screw 6-32 x 1 5/8 pan head phillips zinc |
$0.99
|
2 |
|
ships same day |
32 |
999-0148
|
Washer #6 external star lock zinc plated |
$0.99
|
2 |
|
ships same day |
33 |
175-3115
|
Switch bracket |
$8.03
|
1 |
|
usually ships 1-5 days |
34a |
175-3116
|
Snap switch |
$15.07
|
2 |
|
usually ships 10-13 days |
34b |
991-5121
|
Charger interlock switch (OBSOLETE) |
$15.07
|
2 |
(NON-OEM) |
usually ships 10-13 days |
35 |
999-0442
|
Nut 10-24 nylon insert lock stainless steel |
$1.76
|
2 |
|
ships same day |
36 |
999-0006
|
Washer 3/16 flat zinc plated |
$0.99
|
2 |
|
ships same day |
37 |
175-3117
|
Switch mount |
$25.52
|
1 |
|
usually ships 1-5 days |
38 |
999-0454
|
Screw 10-24 x 1/2 truss head phillips zinc plated |
$0.99
|
2 |
|
ships same day |
39 |
999-1028
|
Screw 10-24 x 3/4 truss head phillips stainless steel |
$1.69
|
1 |
|
ships same day |
40 |
999-1084
|
Screw M6-1 x 16mm truss head slotted stainless steel |
$1.85
|
2 |
|
ships same day |
41 |
175-3120
|
Console harness with potentiometer |
$234.63
|
1 |
(Includes 42 and 43) |
usually ships 10-13 days |
42 |
175-3105
|
Potentiometer |
$107.03
|
1 |
|
usually ships 10-13 days |
43 |
175-3106
|
Lockable potentiometer |
$40.70
|
1 |
|
usually ships 10-13 days |
44 |
999-0126
|
Washer 1/2 split lock |
$1.28
|
2 |
|
ships same day |
45 |
175-3122
|
Switch plate |
$15.51
|
1 |
|
usually ships 1-5 days |
46 |
999-0016
|
Washer 1/4 flat plain finish |
$0.99
|
4 |
|
ships same day |
47 |
175-1168
|
Handle collar |
$6.49
|
2 |
|
usually ships 10-13 days |
48 |
999-0096
|
Screw 1/4-20 x 1/4 cup point socket set plain finish |
$0.99
|
2 |
|
ships same day |
49 |
175-2728
|
Locking plate |
$53.13
|
2 |
|
usually ships 1-5 days |
50 |
175-2729
|
Hose hanger bracket |
$42.35
|
1 |
|
usually ships 1-5 days |
51 |
999-0024
|
Washer 5/16 flat stainless steel |
$1.34
|
4 |
|
ships same day |
52 |
999-0553
|
Washer 5/16 medium split lock stainless steel |
$0.99
|
4 |
|
ships same day |
53 |
999-1133
|
Bolt M8-1.25 x 20mm hex head full thread plain |
$0.99
|
4 |
|
ships same day |
54 |
175-1169
|
Speed control decal |
$5.50
|
1 |
|
usually ships 10-13 days |
55a |
275-4593
|
Main wiring harness |
$578.93
|
1 |
|
usually ships 1-5 days |
55b |
175-1182
|
Diode with ring terminals (large) |
$15.84
|
1 |
|
usually ships 10-13 days |