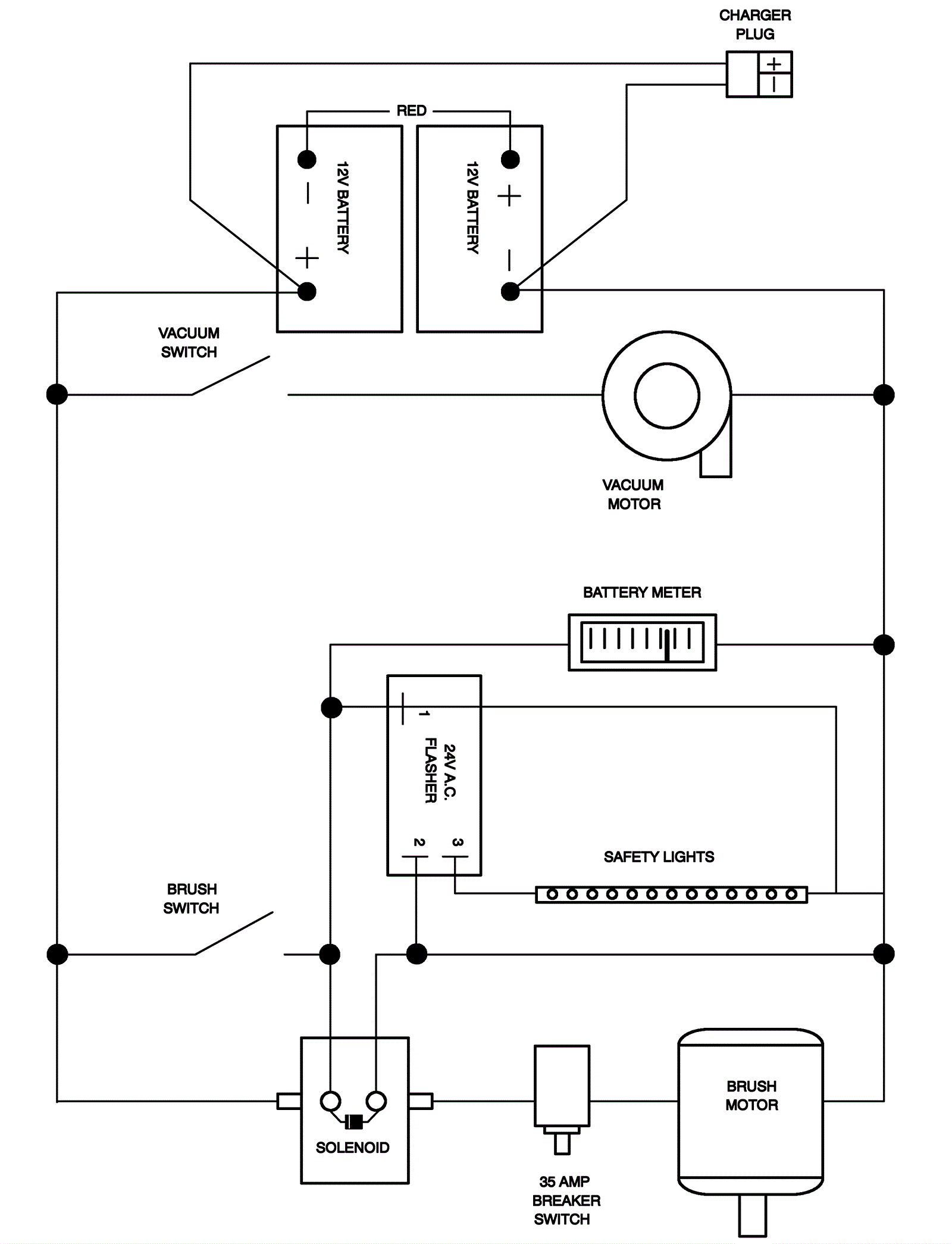
120 Volt Ladder Assembly
Click to enlarge