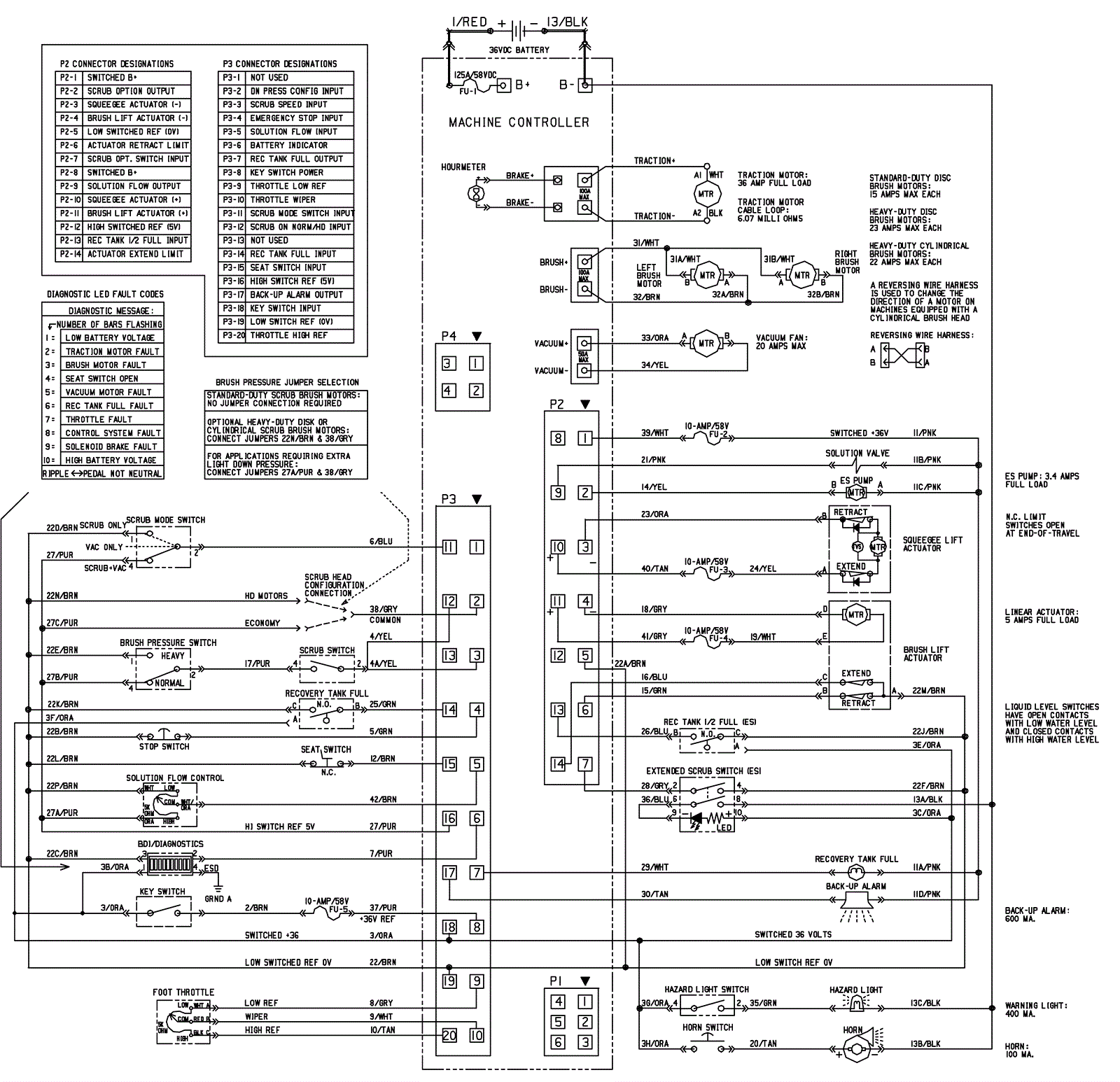
Electrical Schematic - From SN 10143033-10247589
Click to enlarge