| # | Part | Description | Price | Req | Notes | Availability | 
|---|
          
            
            
                
                  
                  
                  
				       
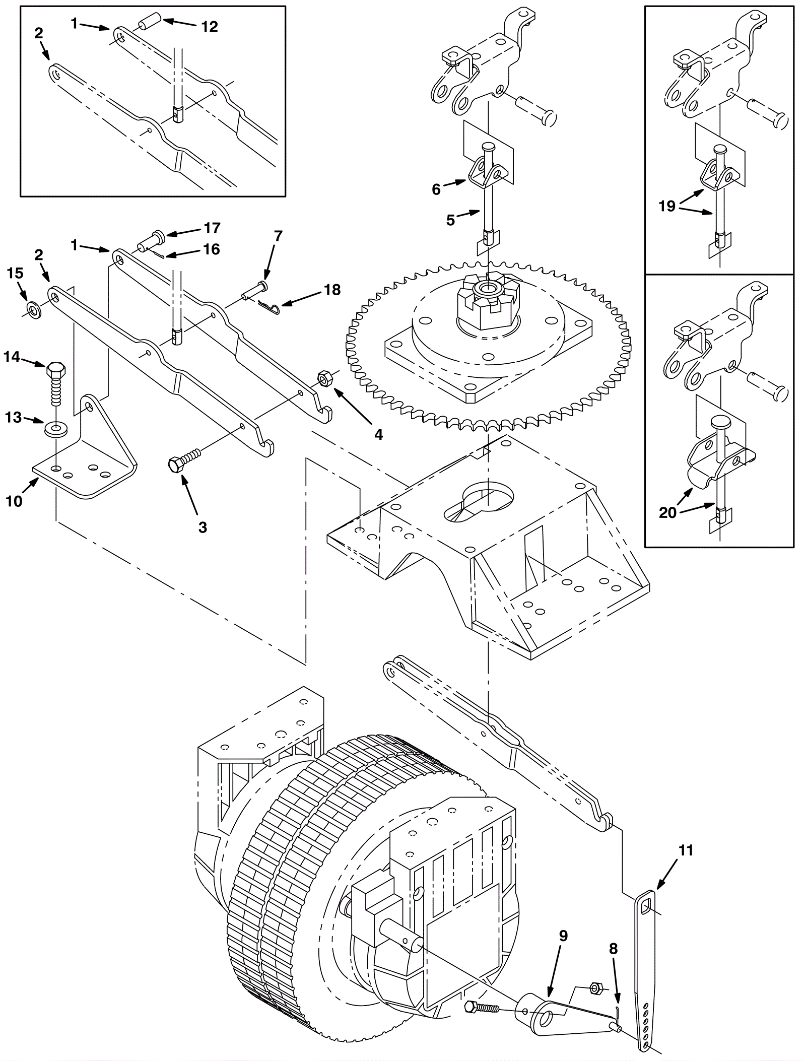
				      1 | 275-2749 | Left side brake arm link | $36.08 | 1 | (after SN 10160409) | usually ships 1-5 days | 2 | 275-2750 | Right side brake arm link | $36.08 | 1 | (after SN 10160409) | usually ships 1-5 days | 3 | 999-1312 | Screw M6-1 x 20mm hex head stainless steel | $0.99 | 1 | (after SN 10160409) | ships same day | 4 | 999-0497 | Nut M6-1 nylon insert lock stainless steel | $0.99 | 1 | (after SN 10160409) | ships same day | 5 | 275-2751 | Brake link | $188.65 | 1 | (after SN 10251077) | usually ships 1-5 days | 6 | 275-2752 | Brake channel | $24.86 | 1 | (after SN 10251077) | usually ships 1-5 days | 7 | 175-3271 | Clevis pin | $6.49 | 1 | (after SN 10160409) | usually ships 1-5 days | 8 | 175-3272 | Cotter pin | $3.30 | 2 | (after SN 10160409) | usually ships 10-13 days | 9 | 175-4956 | Brake arm weldment | $56.98 | 1 | (after SN 10160409) | usually ships 1-5 days | 10 | 175-4957 | Pivot brake bracket | $19.80 | 1 | (after SN 10160409) | usually ships 1-5 days | 11 | 175-4958 | LINK, BRAKE  (Tennant Industrial) | $20.00 | 1 | (after SN 10160409) | usually ships 1-5 days | 12 | 275-2753 | PIN, CLEVIS, 0.38D X 1.13L  (Tennant Industrial) | $6.67 | 1 | (SN 10160410-10235461) | usually ships 10-13 days | 13 | 999-9097 | Washer M8 flat stainless steel | $0.99 | 2 | (after SN 10160409) | ships same day | 14 | 175-3163 | Screw M8-1.25 x 60mm hex head | $4.49 | 2 | (after SN 10160409) | usually ships 10-13 days | 15 | 999-0032 | Washer 3/8 USS flat plain finish | $2.42 | 1 | (after SN 10235461) | ships same day | 16 | 175-3281 | Cotter pin | $3.30 | 1 | (after SN 10235461) | usually ships 10-13 days | 17 | 175-5894 | Clevis pin | $5.50 | 1 | (after SN 10235461) | usually ships 10-13 days | 18 | 175-2113 | Cotter pin | $3.30 | 1 | (after SN 10160409) | ships same day | 19 | 275-2754 | Brake linkage replacement kit | $251.57 | 1 | (SN 10160410-10230074) | usually ships 1-5 days | 20 | 275-2754 | Brake linkage replacement kit | $251.57 | 1 | (SN 10230075-10251077) | usually ships 1-5 days |