R14
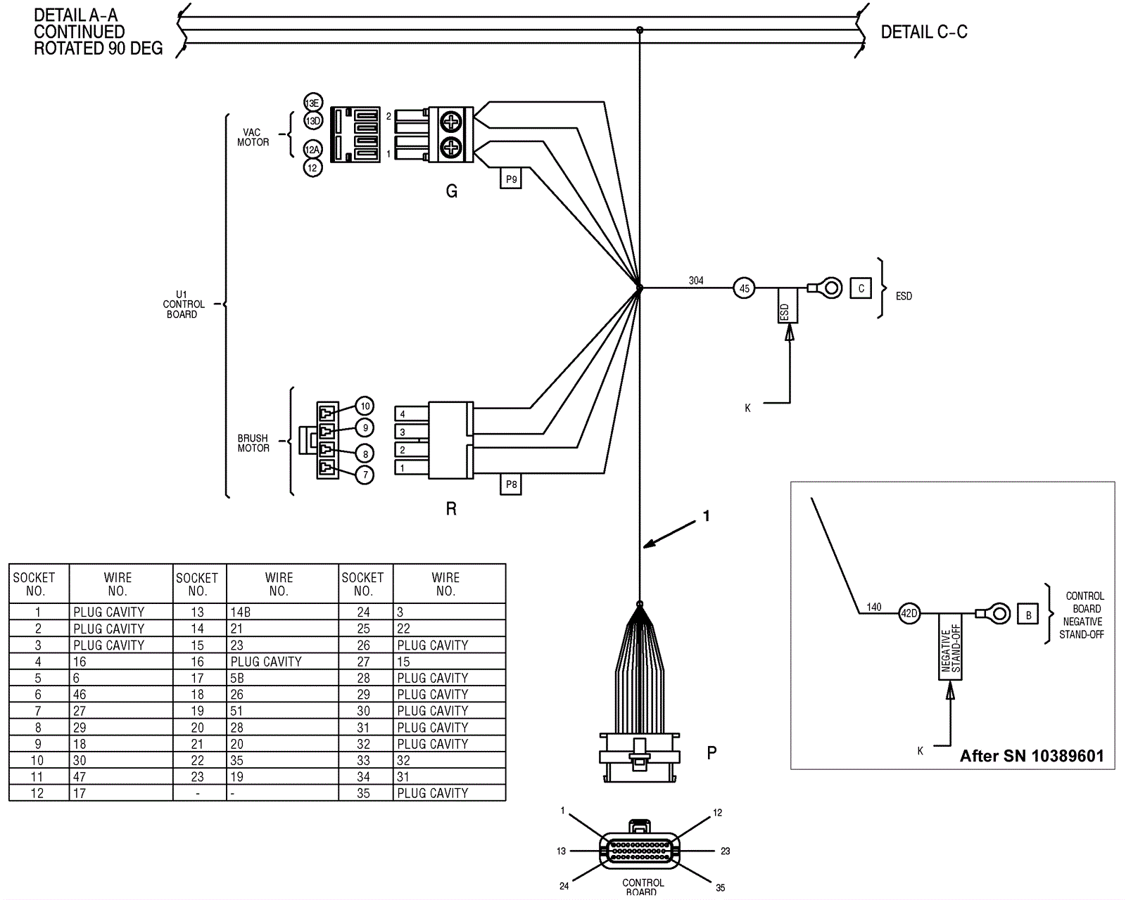
Wire Harness Assembly 3
Click to enlarge
#
Part
Description
Price
Req
Notes
Availability
1
275-9669
Main harness
$1,208.35
1
(after SN 10389601) (includes 2 and 3)
usually ships 10-13 days
N/S
175-7875
7.5amp fuse
$4.88
1
usually ships 10-13 days