| # | Part | Description | Price | Req | Notes | Availability |
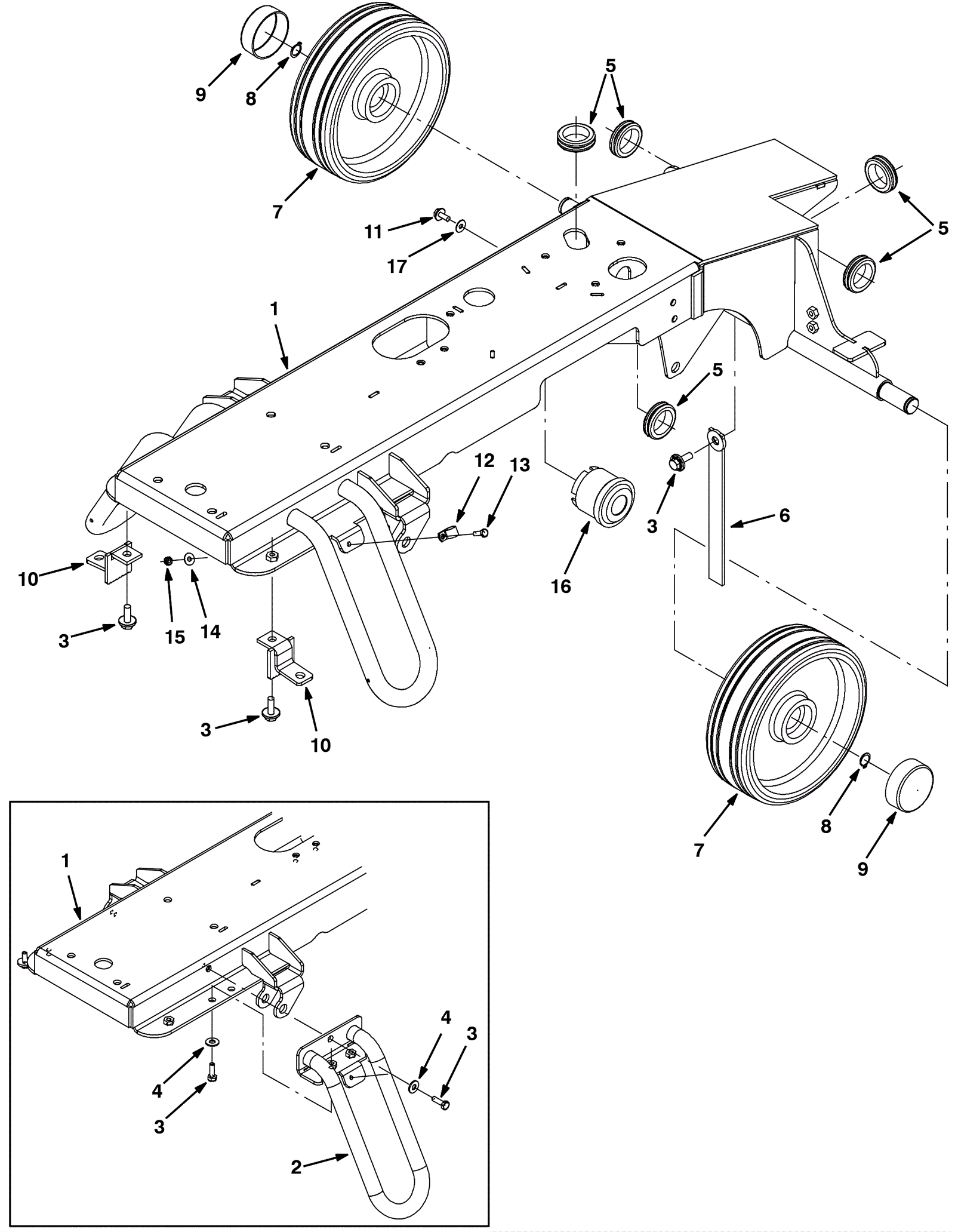
1 |
275-4961
|
Frame weldment |
$1,041.04
|
1 |
|
usually ships 1-5 days |
2 |
275-4961
|
Frame weldment |
$1,041.04
|
2 |
(before SN 10441903) (replaced by 1) |
usually ships 1-5 days |
3a |
999-0501
|
Bolt M8-1.25 x 25mm hex head full thread stainless steel |
$2.64
|
9 |
(before SN 10441903) |
ships same day |
3b |
999-1653
|
Screw M8-1.25 x 30mm hex head stainless steel |
$4.36
|
3 |
(after SN 10441902) |
ships same day |
4 |
999-0355
|
Washer 3/8 x 7/8 SAE flat stainless steel |
$0.99
|
1 |
(qty 7 before SN 10441903) |
ships same day |
5 |
175-2366
|
Rubber grommet |
$6.49
|
5 |
|
ships same day |
6 |
275-8058
|
Static strap |
$107.58
|
1 |
|
ships same day |
7 |
275-8059
|
Tire assembly |
$224.40
|
2 |
|
ships same day |
8 |
175-3294
|
Retaining ring |
$3.30
|
2 |
|
ships same day |
9 |
275-8060
|
Cap |
$8.14
|
2 |
|
ships same day |
10 |
275-8061
|
Jack stand bracket weldment |
$53.13
|
2 |
|
usually ships 1-5 days |
11 |
999-1383
|
Screw M6-1 x 16mm hex head stainless steel |
$3.96
|
1 |
|
ships same day |
12a |
175-3170
|
P clamp |
$4.22
|
1 |
(before SN 10518139) |
ships same day |
12b |
175-2667
|
P clamp |
$5.28
|
1 |
(after SN 10518138) |
usually ships 10-13 days |
13 |
999-1312
|
Screw M6-1 x 20mm hex head stainless steel |
$0.99
|
1 |
|
ships same day |
14 |
999-0335
|
Washer 1/4 x 5/8 SAE flat stainless steel |
$0.99
|
1 |
|
ships same day |
15 |
999-0497
|
Nut M6-1 nylon insert lock stainless steel |
$0.99
|
1 |
|
ships same day |
16 |
275-8062
|
Horn |
$160.05
|
1 |
|
usually ships 10-13 days |
17 |
999-0335
|
Washer 1/4 x 5/8 SAE flat stainless steel |
$0.99
|
1 |
|
ships same day |