| # | Part | Description | Price | Req | Notes | Availability |
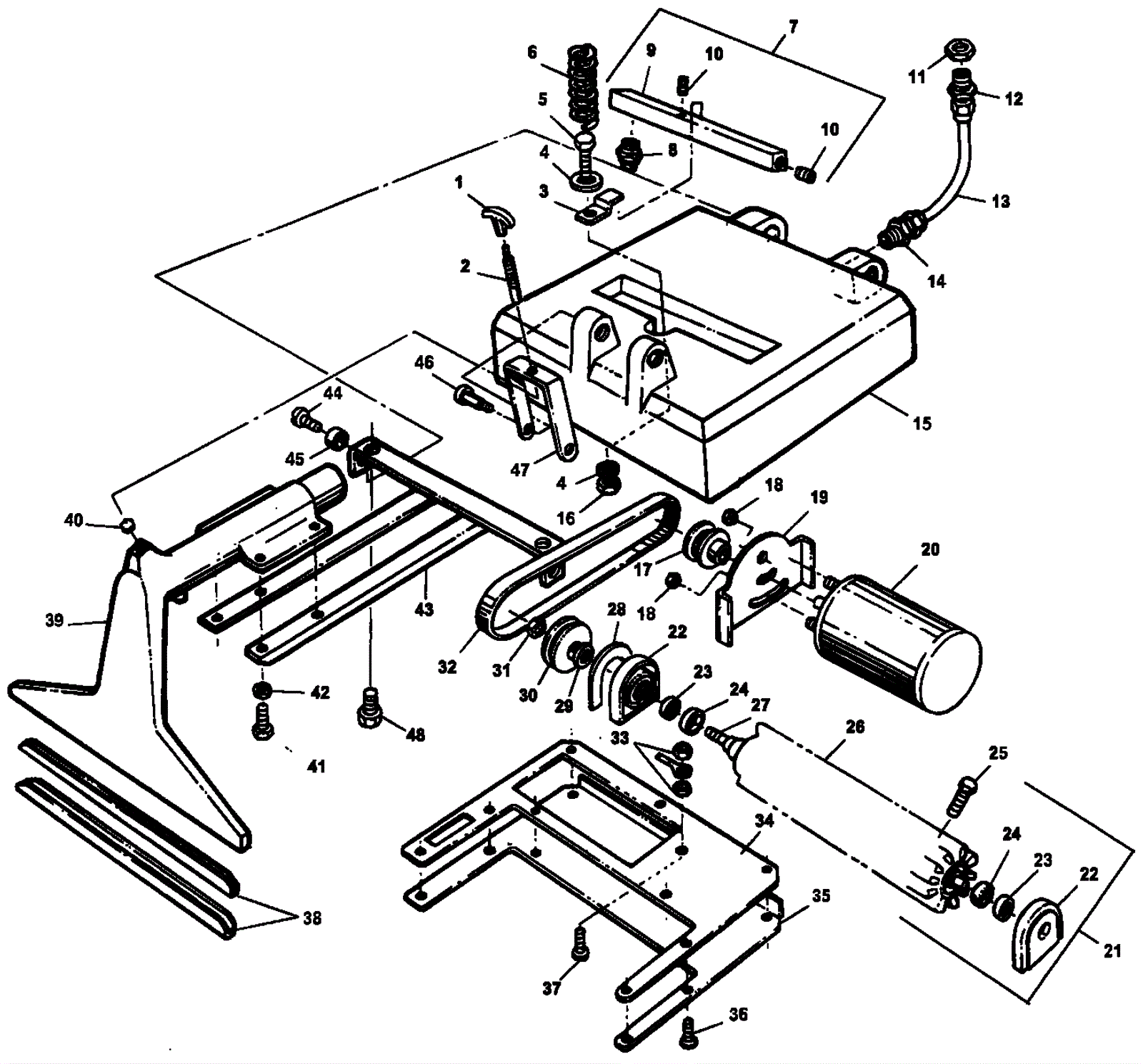
1 |
175-6113
|
Height adjustment knob |
$10.34
|
1 |
|
usually ships 10-13 days |
2 |
175-6114
|
Threaded stud |
$51.26
|
1 |
|
usually ships 10-13 days |
3 |
175-6115
|
Spray bar clamp |
$10.56
|
1 |
|
usually ships 10-13 days |
4 |
999-0617
|
Washer 3/8 x 1 flat stainless steel |
$1.82
|
2 |
|
ships same day |
5 |
999-1006
|
Screw 3/8-16 x 1 3/4 hex head stainless steel |
$2.31
|
1 |
|
ships same day |
6 |
175-6116
|
Spring |
$29.70
|
1 |
|
usually ships 10-13 days |
7 |
275-5131
|
Sprayer manifold assembly |
$371.91
|
1 |
(includes 8, 9, 10) |
usually ships 10-13 days |
8a |
175-6118
|
Spray tip assembly |
$83.49
|
5 |
|
ships same day |
8b |
175-3535
|
Brass spray tip |
$31.35
|
5 |
|
ships same day |
9 |
175-6040
|
20 inch spray bar manifold |
$126.94
|
1 |
|
usually ships 10-13 days |
10a |
175-6121
|
Brass plug |
$5.28
|
3 |
|
ships same day |
10b |
175-6041
|
Elbow 1/8 x 1/8 inch |
$6.49
|
1 |
|
usually ships 10-13 days |
10c |
175-6042
|
Adapter |
$5.50
|
1 |
|
usually ships 10-13 days |
11 |
175-6158
|
Nut 1/2 conduit |
$5.28
|
1 |
|
usually ships 10-13 days |
12 |
175-6124
|
Cord grip |
$11.11
|
1 |
|
usually ships 1-5 days |
13 |
175-6065
|
Interconnect cord |
$28.71
|
1 |
|
usually ships 1-5 days |
14 |
175-6063
|
Strain relief |
$22.55
|
1 |
|
usually ships 10-13 days |
15 |
N/A
|
Not available |
Call for price
|
1 |
(brush housing) |
usually ships 3-26 days |
16 |
999-0513
|
Nut 3/8-16 nylon insert lock type NE stainless steel |
$3.96
|
1 |
|
ships same day |
17 |
175-6129
|
Motor pulley (Tennant Industrial) |
$41.80
|
1 |
|
usually ships 10-13 days |
18 |
999-0239
|
Nut 10-32 k-lock zinc plated |
$0.99
|
2 |
|
ships same day |
19 |
175-6130
|
Motor bracket |
$25.52
|
1 |
|
usually ships 10-13 days |
20 |
175-6131
|
120V brush motor |
$316.03
|
1 |
|
usually ships 10-13 days |
21 |
675-9929
|
20 inch brush assembly |
$491.70
|
1 |
(includes 22 thru 28) |
usually ships 10-13 days |
22 |
175-6133
|
Bearing block |
$10.56
|
2 |
|
usually ships 10-13 days |
23a |
175-0069
|
Brush bearing |
$20.02
|
2 |
(OEM) |
ships same day |
23b |
991-5125
|
Brush bearing |
$17.76
|
2 |
(NON-OEM) |
ships same day |
24 |
175-6134
|
Brush bearing seal |
$18.37
|
2 |
|
usually ships 10-13 days |
25 |
999-0334
|
Bolt 1/4-20 x 3/4 inch hex head stainless steel |
$3.85
|
4 |
|
usually ships 16-20 days |
26 |
175-6136
|
Scrubbing brush - CYLINDRICAL |
$208.89
|
1 |
|
usually ships 10-13 days |
27 |
175-6138
|
20 inch brush shaft |
$167.42
|
1 |
|
usually ships 10-13 days |
28 |
175-6143
|
Bearing block gasket |
$5.83
|
1 |
|
ships same day |
29 |
175-6139
|
Spacer |
$5.15
|
1 |
|
usually ships 10-13 days |
30 |
175-6140
|
Brush pulley |
$40.59
|
1 |
|
usually ships 10-13 days |
31 |
999-1019
|
Nut 5/16-18 hex jam stainless steel |
$0.99
|
1 |
|
ships same day |
32 |
175-6141
|
Brush drive belt |
$33.11
|
1 |
|
usually ships 10-13 days |
33 |
999-0356
|
Nut 10-24 lock stainless steel |
$0.99
|
3 |
|
ships same day |
34 |
175-6235
|
20 inch base gasket |
$39.93
|
1 |
|
usually ships 10-13 days |
35 |
175-6145
|
20 inch brush base plate (black) |
$158.29
|
1 |
|
usually ships 10-13 days |
36 |
999-0811
|
Screw 10-32 x 3/8 pan head phillips stainless steel |
$0.99
|
12 |
|
ships same day |
37 |
999-1028
|
Screw 10-24 x 3/4 truss head phillips stainless steel |
$1.69
|
1 |
|
ships same day |
38 |
175-6147
|
20 inch pick-up shoe plate stainless steel |
$27.83
|
2 |
|
ships same day |
39 |
175-6151
|
20 inch pick-up tool (black) |
$564.74
|
1 |
|
usually ships 10-13 days |
40 |
175-6112
|
Spacer |
$5.15
|
1 |
|
usually ships 10-13 days |
41 |
999-0424
|
Bolt 5/16-18 x 1 hex head stainless steel |
$0.99
|
4 |
|
ships same day |
42 |
999-0553
|
Washer 5/16 medium split lock stainless steel |
$0.99
|
6 |
|
ships same day |
43 |
175-6153
|
Mounting bracket |
$88.66
|
1 |
|
usually ships 1-5 days |
44 |
999-1562
|
Screw 3/8-16 x 3/4 truss head phillips zinc plated |
$0.99
|
2 |
|
usually ships 1-5 days |
45 |
175-6154
|
Spacer |
$5.50
|
2 |
|
usually ships 10-13 days |
46 |
175-6156
|
Screw 3/8 x 3/4 shoulder |
$5.50
|
2 |
|
usually ships 10-13 days |
47 |
175-6152
|
Height adjustment bracket |
$43.45
|
1 |
|
usually ships 10-13 days |
48 |
999-0030
|
Bolt 5/16-18 x 5/8 hex head grade 5 zinc plated |
$1.14
|
2 |
|
ships same day |