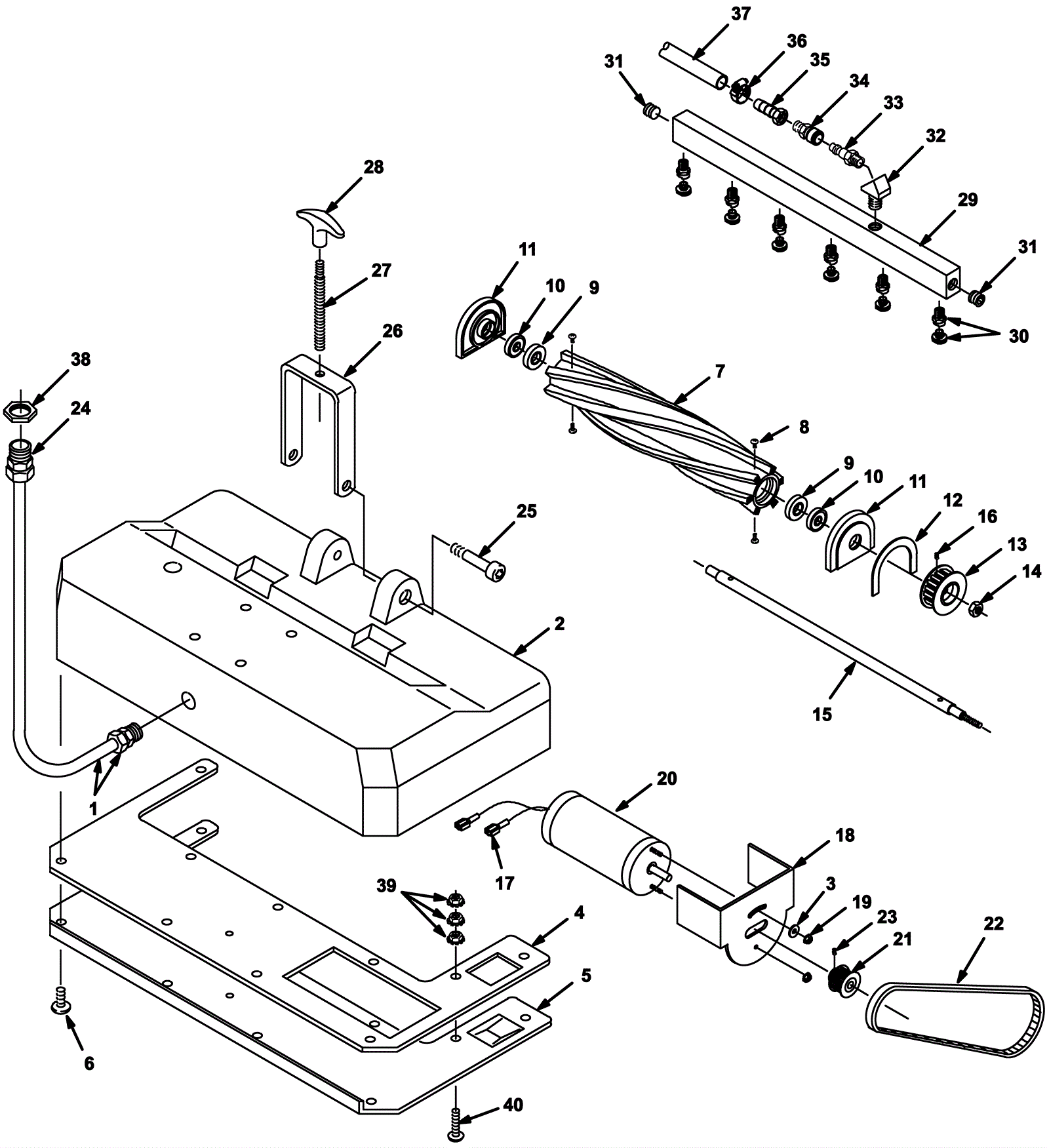
| # | Part | Description | Price | Req | Notes | Availability |
1 |
175-4315
|
18/3 cord 36 inch |
$20.02
|
1 |
|
usually ships 1-5 days |
2 |
175-8083
|
Base 22 inch (black) |
$271.92
|
1 |
|
usually ships 1-5 days |
3 |
999-9100
|
Washer M5 flat stainless steel |
$5.83
|
1 |
|
ships same day |
4 |
175-4317
|
Base plate gasket |
$108.68
|
1 |
|
usually ships 13-17 days |
5 |
175-4818
|
Base plate |
$202.51
|
1 |
|
usually ships 13-17 days |
6 |
999-0999
|
Screw 10-24 x 3/8 truss head phillips stainless steel |
$1.43
|
11 |
|
ships same day |
7a |
175-4023
|
Brush assembly with bearings - CYLINDRICAL |
$457.93
|
1 |
(includes 7b thru 16) |
usually ships 13-17 days |
7b |
175-4319
|
Brush - CYLINDRICAL |
$247.72
|
1 |
|
usually ships 13-17 days |
8 |
999-0334
|
Bolt 1/4-20 x 3/4 inch hex head stainless steel |
$3.85
|
4 |
|
usually ships 19-32 days |
9 |
175-6134
|
Brush bearing seal |
$18.37
|
2 |
|
usually ships 13-17 days |
10a |
175-0069
|
Brush bearing |
$20.02
|
2 |
(OEM) |
ships same day |
10b |
991-5125
|
Brush bearing |
$17.76
|
2 |
(NON-OEM) |
ships same day |
11 |
175-6133
|
Bearing block |
$10.56
|
2 |
|
usually ships 13-17 days |
12 |
175-6143
|
Bearing block gasket |
$5.83
|
1 |
|
ships same day |
13 |
175-4321
|
Brush pulley |
$93.39
|
1 |
|
usually ships 13-17 days |
14 |
999-1019
|
Nut 5/16-18 hex jam stainless steel |
$0.99
|
1 |
|
ships same day |
15 |
175-4322
|
Brush shaft |
$155.32
|
1 |
|
usually ships 13-17 days |
16 |
999-0096
|
Screw 1/4-20 x 1/4 cup point socket set plain finish |
$0.99
|
1 |
|
ships same day |
17 |
175-0923
|
Male terminal |
$5.28
|
2 |
|
usually ships 13-17 days |
18 |
175-4324
|
Brush motor bracket |
$60.83
|
1 |
|
usually ships 13-17 days |
19 |
999-0239
|
Nut 10-32 k-lock zinc plated |
$0.99
|
2 |
|
ships same day |
20a |
175-6131
|
120V brush motor |
$316.03
|
1 |
|
usually ships 13-17 days |
20b |
175-1266
|
Carbon brush (sold individually) |
$126.50
|
1 |
|
usually ships 1-5 days |
21 |
175-4326
|
Motor pulley |
$71.61
|
1 |
|
usually ships 13-17 days |
22 |
175-4327
|
Timing belt |
$51.26
|
1 |
|
usually ships 13-17 days |
23 |
999-0096
|
Screw 1/4-20 x 1/4 cup point socket set plain finish |
$0.99
|
1 |
|
ships same day |
24 |
175-6232
|
Cord grip |
$10.56
|
1 |
|
usually ships 13-17 days |
25 |
175-6156
|
Screw 3/8 x 3/4 shoulder |
$5.50
|
2 |
|
usually ships 13-17 days |
26 |
175-6183
|
Brush height adjustment bracket |
$28.38
|
1 |
|
usually ships 1-5 days |
27 |
175-8084
|
3 1/2 inch height adjustment stud |
$16.94
|
1 |
|
usually ships 1-5 days |
28 |
175-6113
|
Height adjustment knob |
$10.34
|
1 |
|
usually ships 13-17 days |
29a |
175-4873
|
Spray bar assembly |
$520.30
|
1 |
(includes 29b thru 33) |
usually ships 13-17 days |
29 |
175-1786
|
22 inch spraybar |
$90.75
|
1 |
|
usually ships 13-17 days |
30a |
175-6118
|
Spray tip assembly |
$83.49
|
6 |
|
ships same day |
30b |
175-3535
|
Brass spray tip |
$28.50
|
1 |
|
ships same day |
30c |
175-8085
|
Spray nozzle seal |
$32.23
|
1 |
|
usually ships 13-17 days |
31 |
175-6121
|
Brass plug |
$5.28
|
2 |
|
ships same day |
32 |
175-6041
|
Elbow 1/8 x 1/8 inch |
$6.49
|
1 |
|
usually ships 13-17 days |
33 |
175-1684
|
Quick disconnect fitting |
$23.54
|
1 |
|
usually ships 13-17 days |
34 |
175-1652
|
1/8 inch female brass quick coupler |
$38.50
|
1 |
|
ships same day |
35 |
175-3529
|
Brass fitting |
$5.50
|
1 |
|
usually ships 13-17 days |
36 |
175-6081
|
Hose clamp |
$4.84
|
1 |
|
ships same day |
37 |
175-4306
|
PVC braided hose 1/4 ID 1/2 OD x 24 inch (gray) (OBSOLETE) |
$10.78
|
1 |
|
usually ships 13-17 days |
38 |
999-0188
|
Nut 3/8-16 nylon insert lock zinc plated |
$0.99
|
1 |
|
ships same day |
39 |
999-0356
|
Nut 10-24 lock stainless steel |
$0.99
|
3 |
|
ships same day |
40 |
999-1028
|
Screw 10-24 x 3/4 truss head phillips stainless steel |
$1.69
|
1 |
|
ships same day |