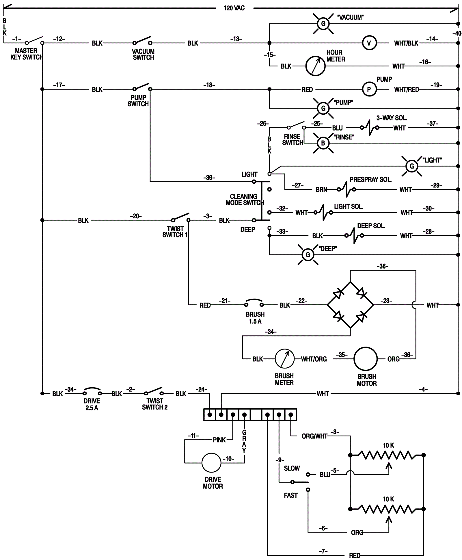
Ladder Diagram