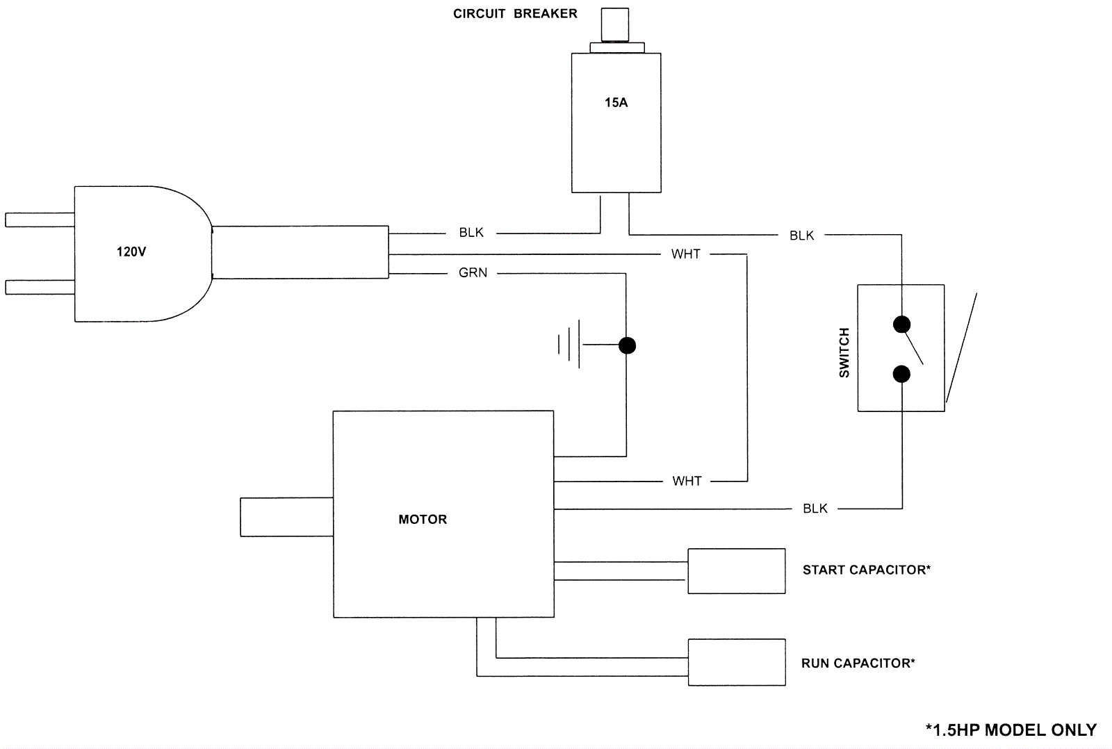
120V-Single Speed Wiring Diagram
Click to enlarge