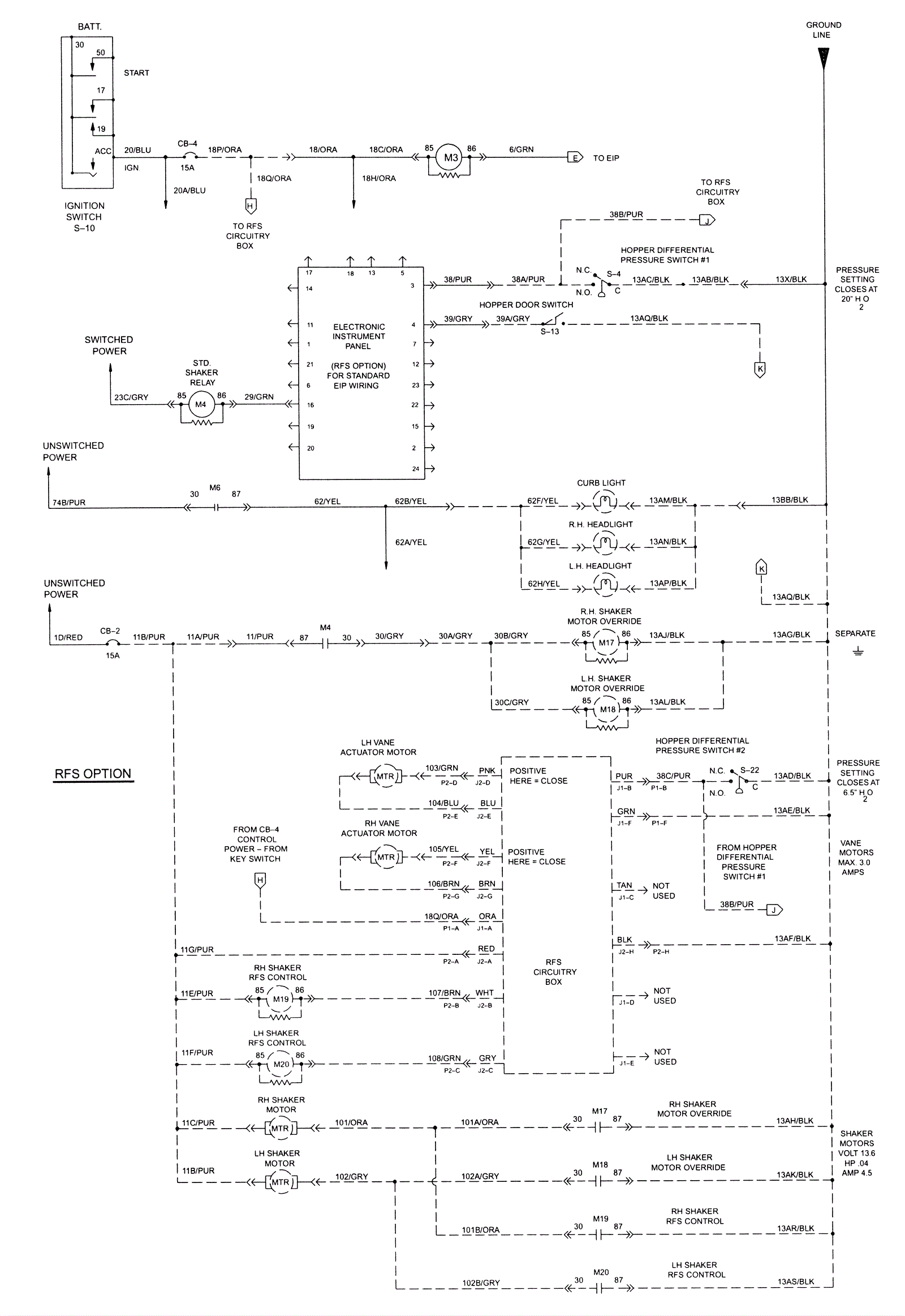
Electrical Schematic 4
Click to enlarge