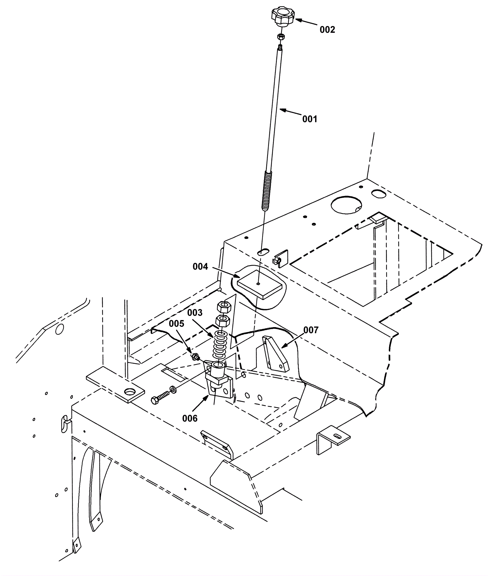
Main Brush Adjustment Group 1
Click to enlarge