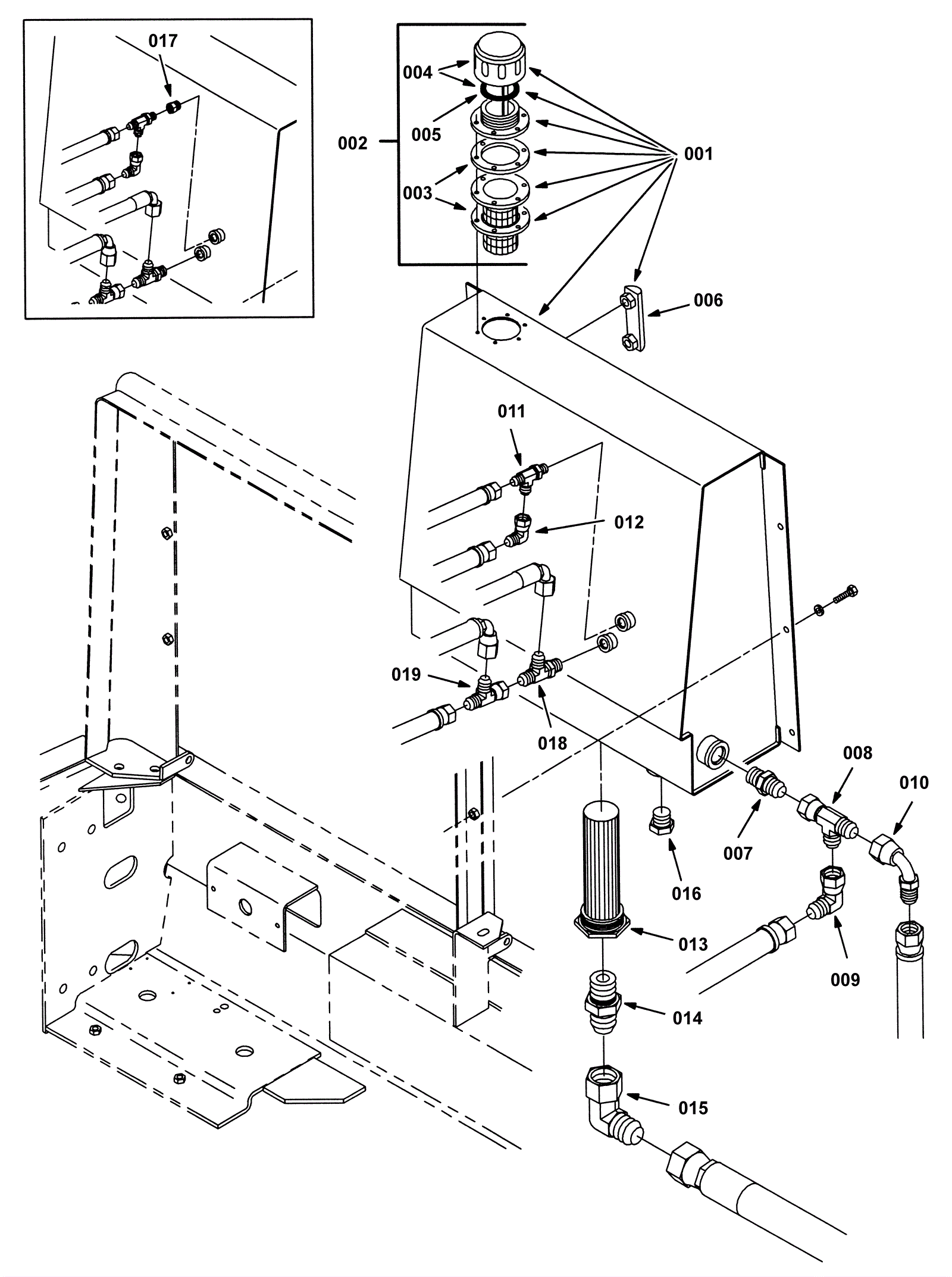
Hydraulic Reservoir Group
Click to enlarge