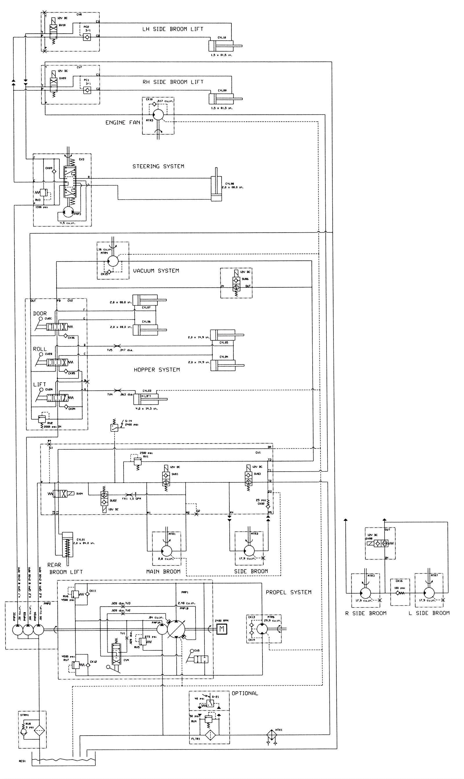
Hydraulic Schematic 2
Click to enlarge