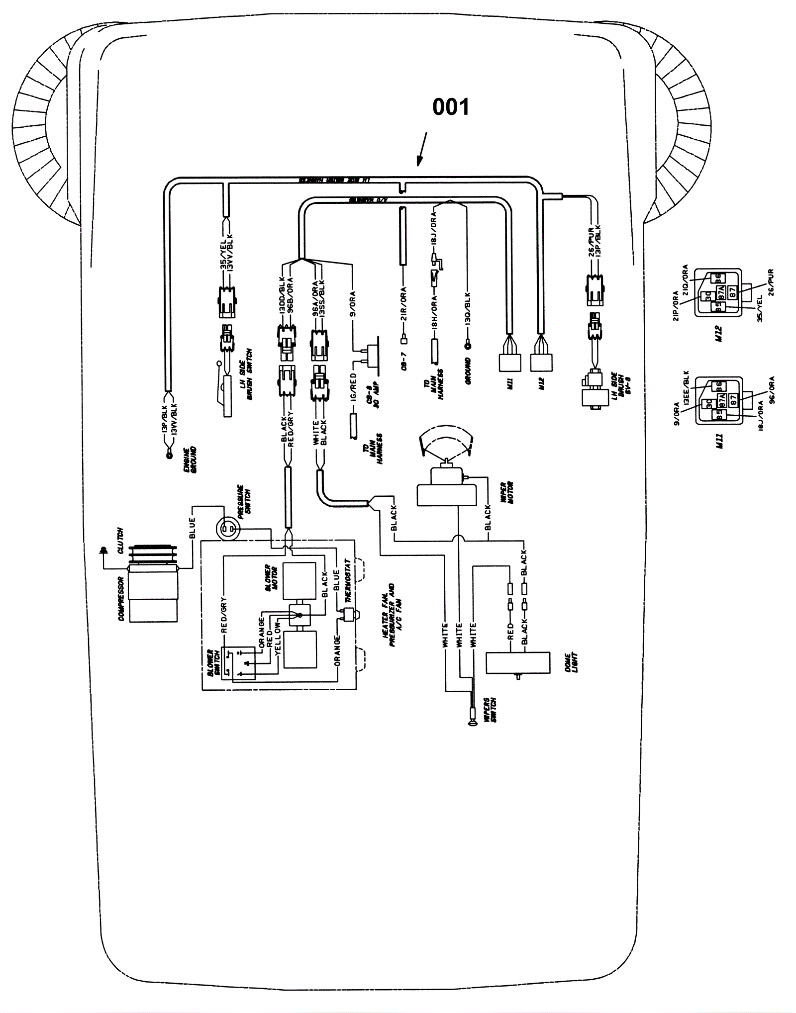
Side Brush Wire Harness Group, L.H. (1)
Click to enlarge