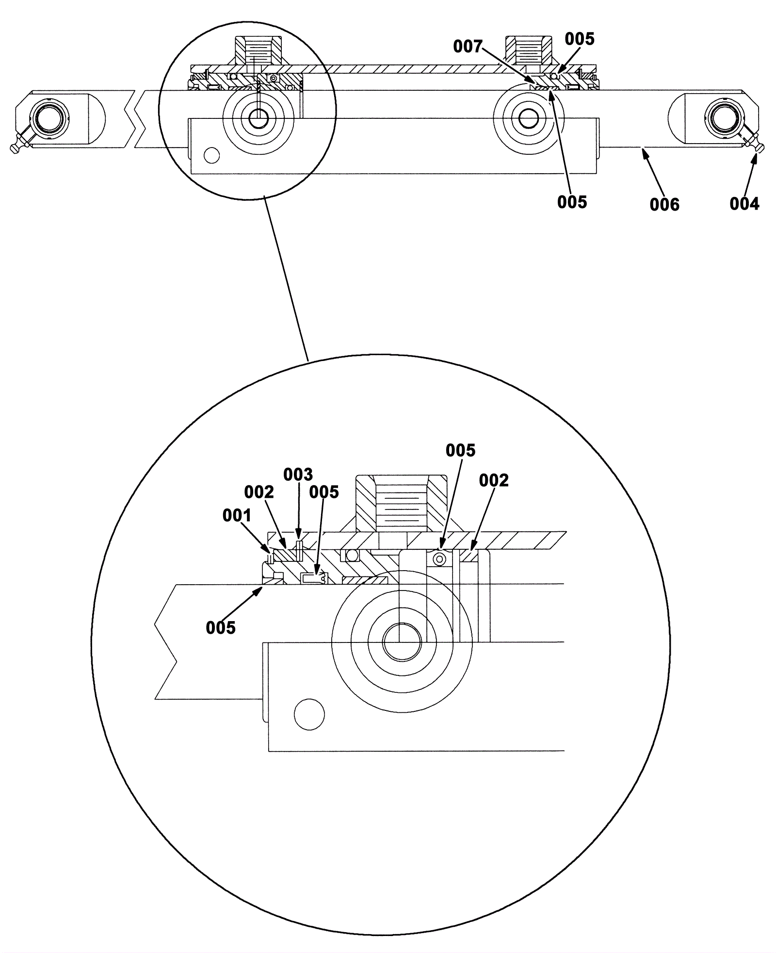
Hydraulic Steering Cylinder Breakdown, 368104
Click to enlarge