| # | Part | Description | Price | Req | Notes | Availability |
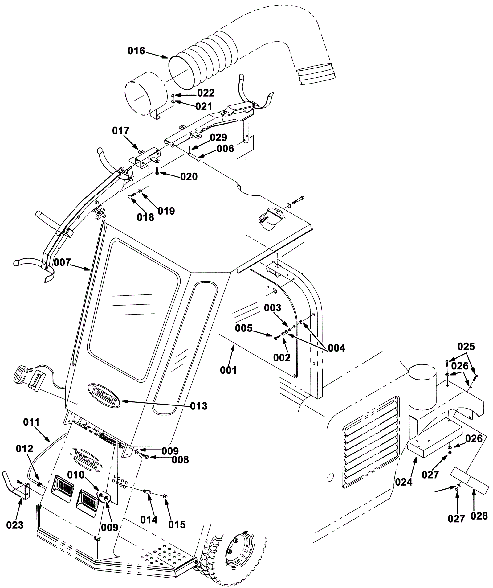
001 |
275-3329
|
CAB KIT, CI [ATLV4300] (Tennant Industrial) |
$18,464.86
|
1 |
|
usually ships 1-5 days |
001 |
275-3330
|
PANE, ACRYLIC (Tennant Industrial) |
$406.41
|
1 |
|
usually ships 1-5 days |
002 |
999-0335
|
Washer 1/4 x 5/8 SAE flat stainless steel |
$0.99
|
6 |
|
ships same day |
003 |
175-2263
|
Sleeve |
$4.22
|
4 |
|
usually ships 10-13 days |
004 |
275-2759
|
WASHER, FLAT, 0.50B 0.88D .06, NEO (Tennant Industrial) |
$5.50
|
8 |
|
usually ships 1-5 days |
005 |
275-3331
|
SCREW, HEX, .25-20 X 0.75, FMG, PL (Tennant Industrial) |
$5.50
|
6 |
|
usually ships 1-5 days |
006 |
275-3047
|
PIN, CLEVIS, 0.50D X 2.62L (Tennant Industrial) |
$13.84
|
1 |
|
usually ships 10-13 days |
007 |
275-3332
|
CAB, OPEN (Tennant Industrial) |
$10,090.18
|
1 |
|
usually ships 1-5 days |
008 |
999-0246
|
Bolt M10-1.5 x 35mm hex head full thread |
$1.28
|
4 |
|
ships same day |
009 |
999-0355
|
Washer 3/8 x 7/8 SAE flat stainless steel |
$0.99
|
8 |
|
ships same day |
010 |
999-9133
|
Nut M10-1.5 nut hex head stainless steel |
$1.25
|
4 |
|
usually ships 1-5 days |
011 |
275-3333
|
HARNESS, WIPER (Tennant Industrial) |
$106.35
|
1 |
|
usually ships 1-5 days |
012 |
275-3334
|
GROMMET, RBR, 0.38ID, F/0.6H, .09 MATL (Tennant Industrial) |
$5.50
|
1 |
|
usually ships 1-5 days |
013 |
175-8119
|
LABEL, LOGO, 10.4L, WHITE [TENNANT] (Tennant Industrial) |
$47.68
|
1 |
|
usually ships 1-5 days |
014 |
175-5969
|
15amp circuit breaker (Tennant Industrial) |
$8.34
|
1 |
|
usually ships 10-13 days |
015 |
275-2596
|
Circuit breaker boot (Tennant Industrial) |
$20.84
|
1 |
|
ships same day |
016 |
275-3335
|
HOSE, FLEX, VACUUM, 08.0D, 070.0L (Tennant Industrial) |
$552.94
|
1 |
|
usually ships 1-5 days |
017 |
275-3336
|
BRACKET, MTG, VACUUM HOSE (Tennant Industrial) |
$243.22
|
1 |
|
usually ships 1-5 days |
018 |
999-1372
|
Bolt M10-1.5 x 25mm hex head stainless steel |
$3.56
|
1 |
|
ships same day |
019 |
999-0335
|
Washer 1/4 x 5/8 SAE flat stainless steel |
$0.99
|
1 |
|
ships same day |
020 |
999-0499
|
Bolt M8-1.25 x 20mm hex head full thread stainless steel |
$1.85
|
2 |
|
ships same day |
021 |
999-0549
|
Washer 5/16 x 3/4 SAE flat stainless steel |
$0.99
|
2 |
|
ships same day |
022 |
999-0471
|
Nut M8-1.25 nylon insert lock zinc plated |
$0.99
|
2 |
|
ships same day |
023 |
275-3337
|
BRACKET, HANGER (Tennant Industrial) |
$243.22
|
1 |
|
usually ships 1-5 days |
024 |
275-3338
|
WEIGHT, COUNTER, 2.0, 5.0 12.0L, PNTD (Tennant Industrial) |
$538.11
|
2 |
|
usually ships 1-5 days |
025 |
999-0787
|
Bolt M8-1.25 x 40mm hex head full thread stainless steel |
$2.48
|
7 |
|
ships same day |
026 |
999-0549
|
Washer 5/16 x 3/4 SAE flat stainless steel |
$0.99
|
14 |
|
ships same day |
027 |
999-0471
|
Nut M8-1.25 nylon insert lock zinc plated |
$0.99
|
5 |
|
ships same day |
028 |
275-3339
|
WEIGHT, COUNTER, 2.0, 5.0 08.0L, PNTD (Tennant Industrial) |
$285.72
|
2 |
|
usually ships 1-5 days |
029 |
175-3281
|
Cotter pin |
$3.30
|
2 |
|
usually ships 10-13 days |