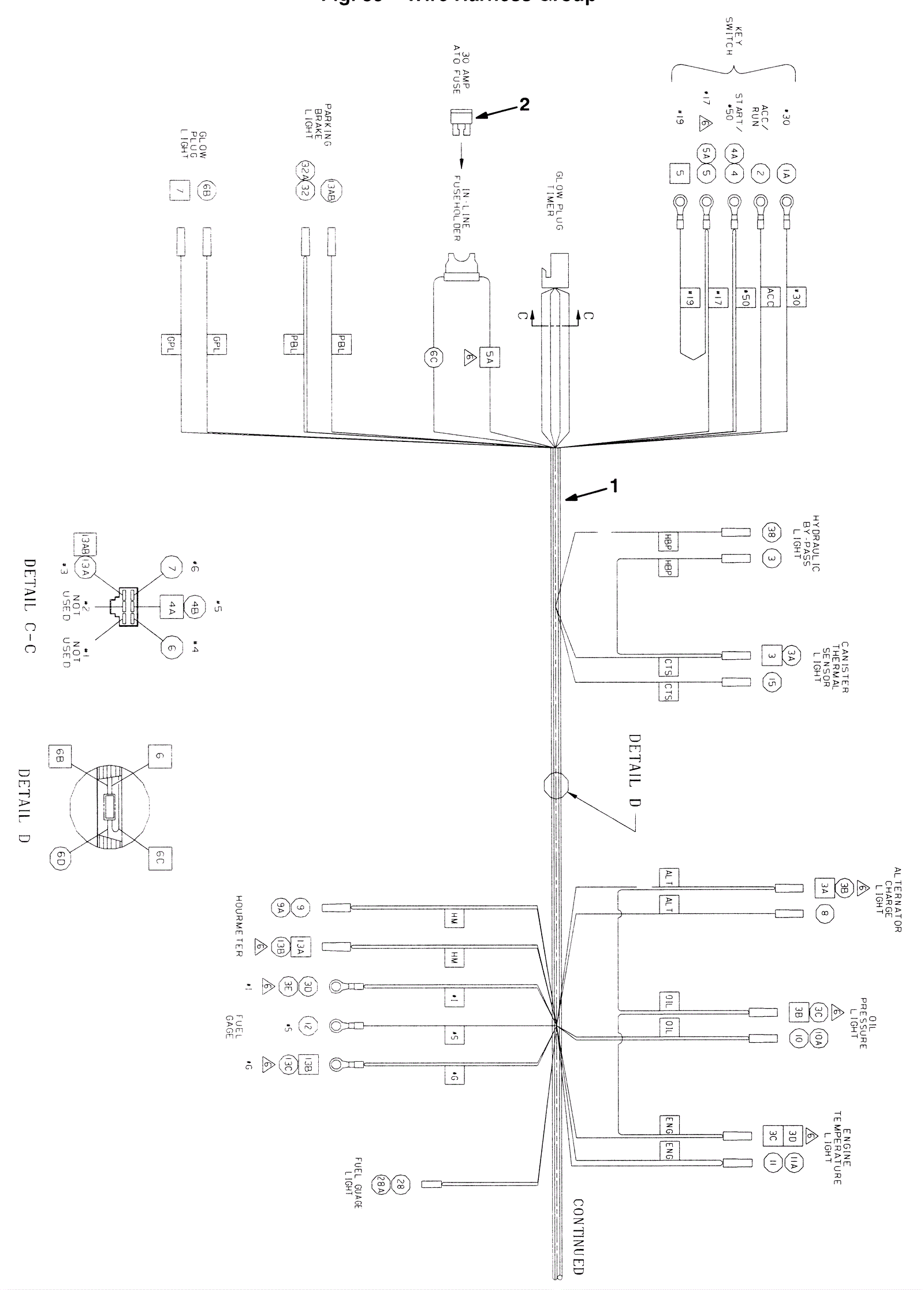
Wire Harness Group
Click to enlarge