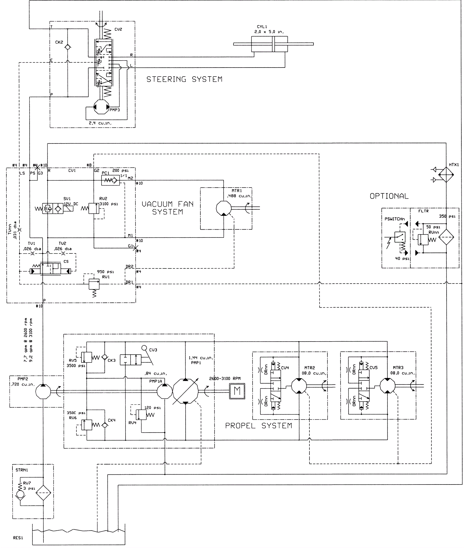
Hydraulic Schematic
Click to enlarge