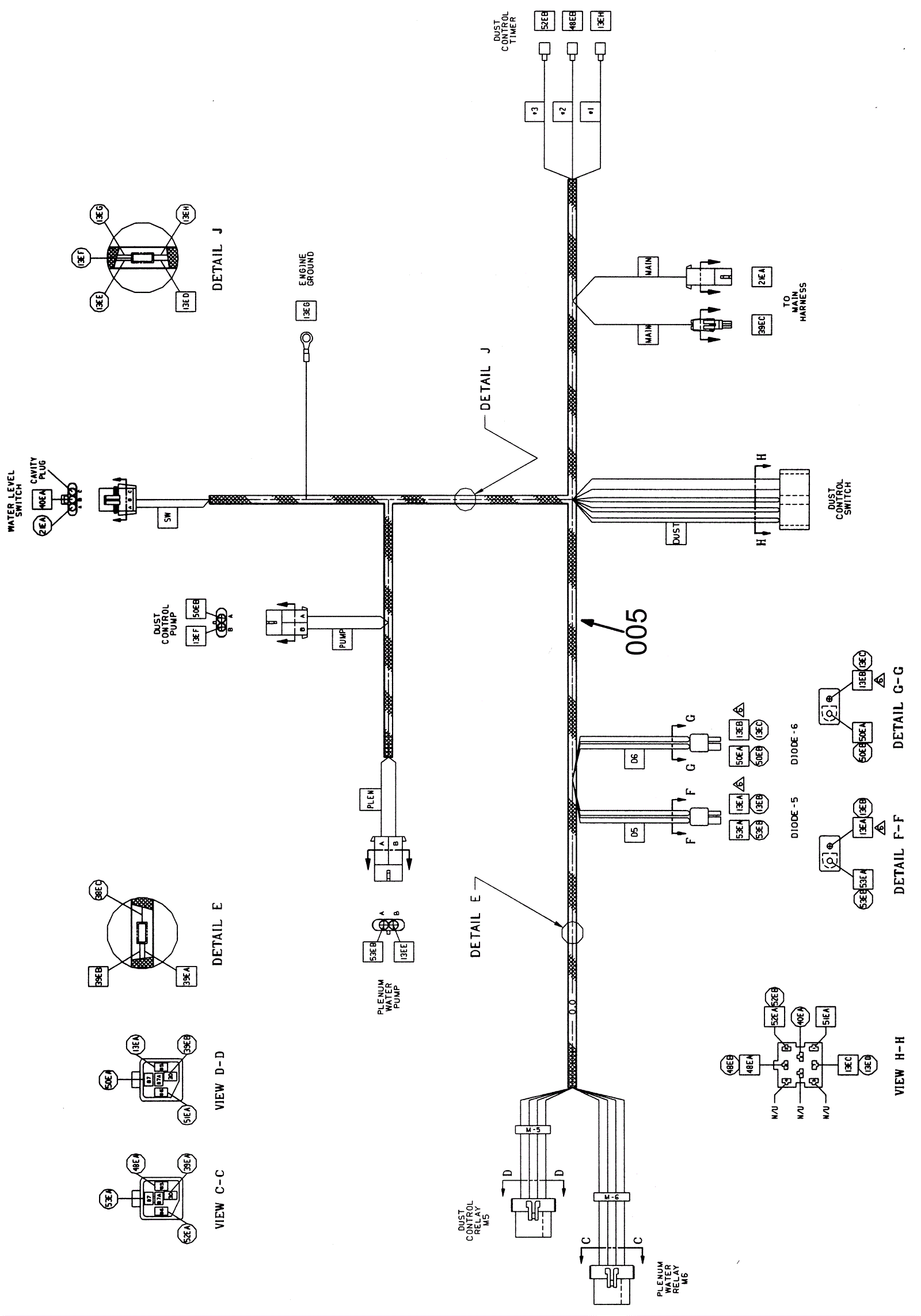
Wire Harnesses Group - 10
Click to enlarge