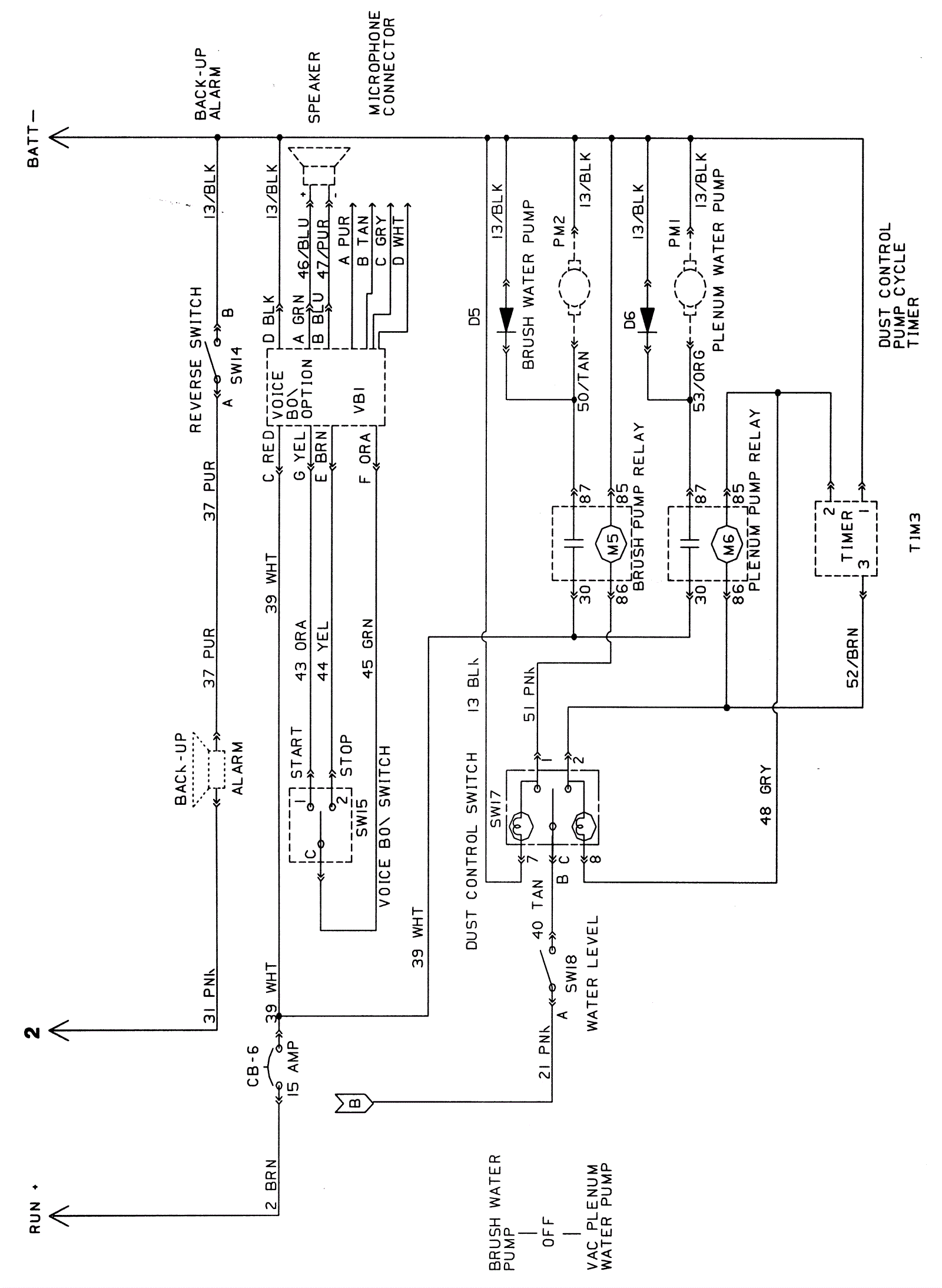
Electrical Schematic - 4
Click to enlarge