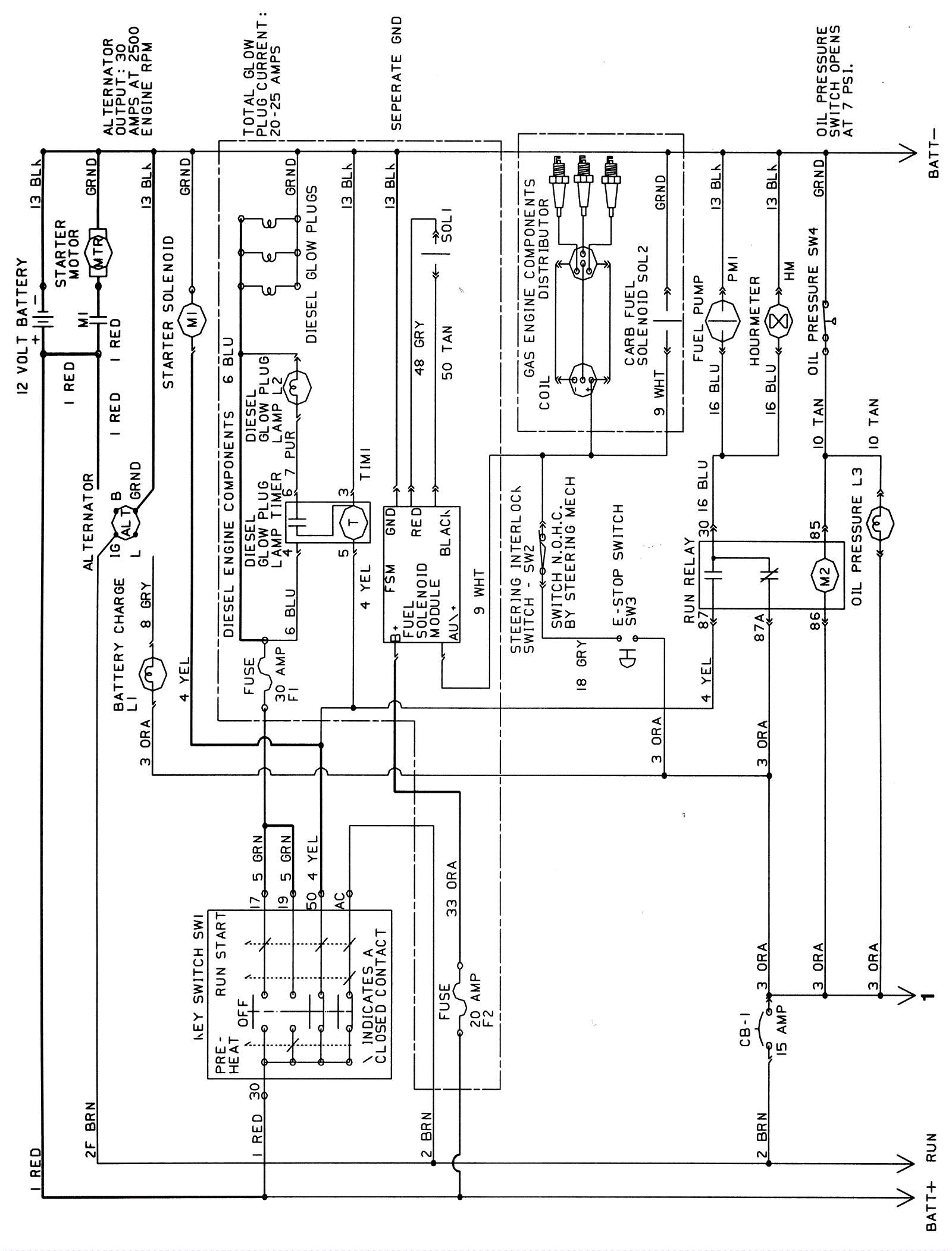
Electrical Schematic - 2
Click to enlarge