| # | Part | Description | Price | Req | Notes | Availability |
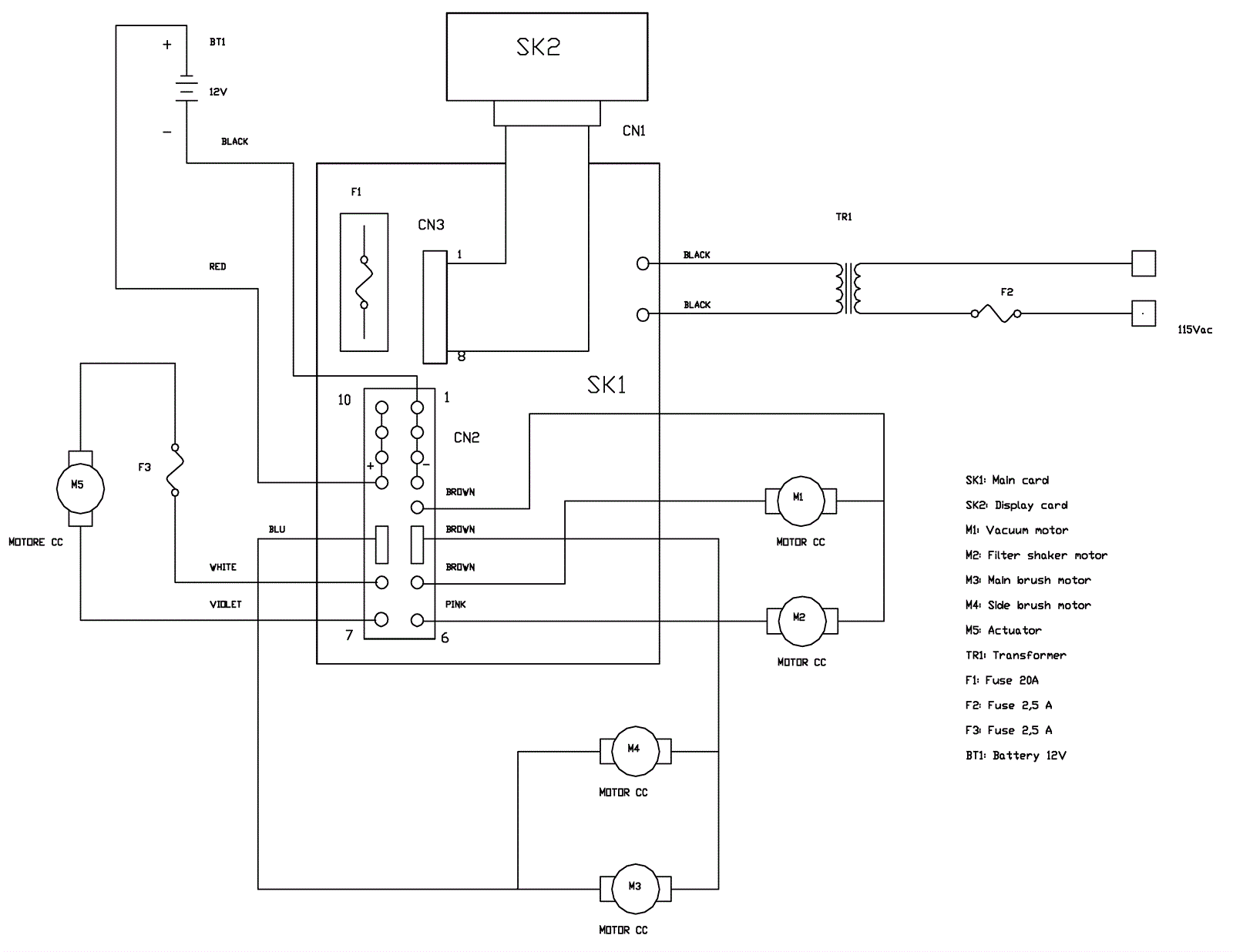
BT1 |
162-0114
|
12V 50Ah AGM battery |
$250.48
|
1 |
|
ships same day |
F1 |
175-4103
|
20amp main card fuse |
$5.50
|
1 |
|
usually ships 10-13 days |
F2 |
175-4104
|
2.5amp charger and actuator fuse |
$5.50
|
1 |
|
usually ships 10-13 days |
F3 |
175-4104
|
2.5amp charger and actuator fuse |
$5.50
|
1 |
|
usually ships 10-13 days |
M1 |
175-4138
|
Blower motor |
$540.10
|
1 |
|
ships same day |
M2 |
175-4129
|
Shaker motor |
$680.79
|
1 |
|
usually ships 10-13 days |
M3 |
175-4151
|
Main brush motor |
$1,067.55
|
1 |
|
usually ships 10-13 days |
M4 |
175-4155
|
Side brush motor |
$235.18
|
1 |
|
usually ships 10-13 days |
M5 |
175-4117
|
Actuator |
$1,990.45
|
1 |
|
usually ships 1-5 days |
SK1 |
175-4075
|
Control board |
$1,046.76
|
1 |
|
ships same day |
SK2 |
175-4075
|
Control board |
$1,046.76
|
1 |
|
ships same day |
TR1 |
203-3182
|
Battery charger/transformer |
$308.61
|
1 |
|
usually ships 11-14 days |