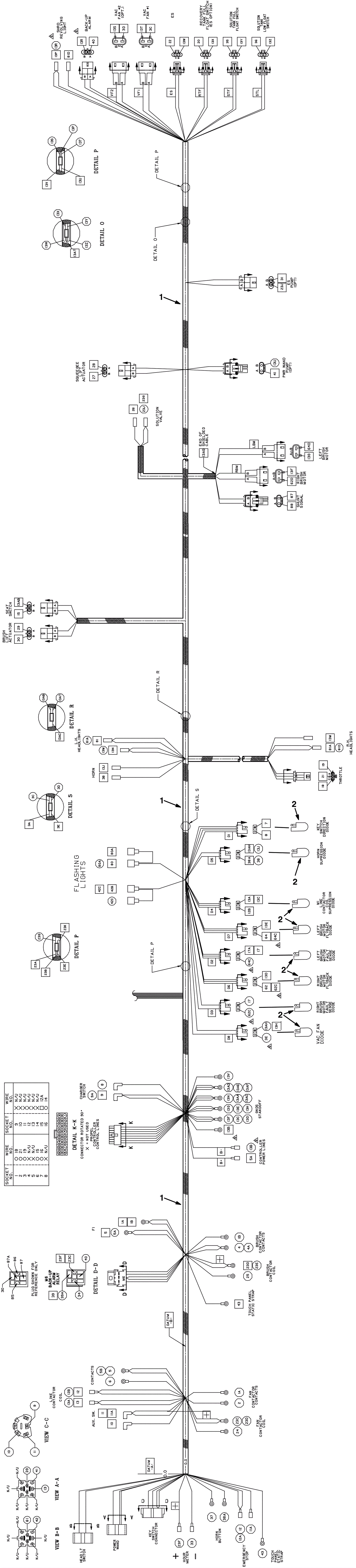
7100
Wire Harness Assembly - Before SN 02700
Click to enlarge
#
Part
Description
Price
Req
Notes
Availability
1
475-4136
HARNESS KIT, MAIN, W/SEATSWITCH[7100TNV]
$1,540.66
1
usually ships 10-13 days
2
175-2216
Diode plug
$14.19
8
usually ships 10-13 days