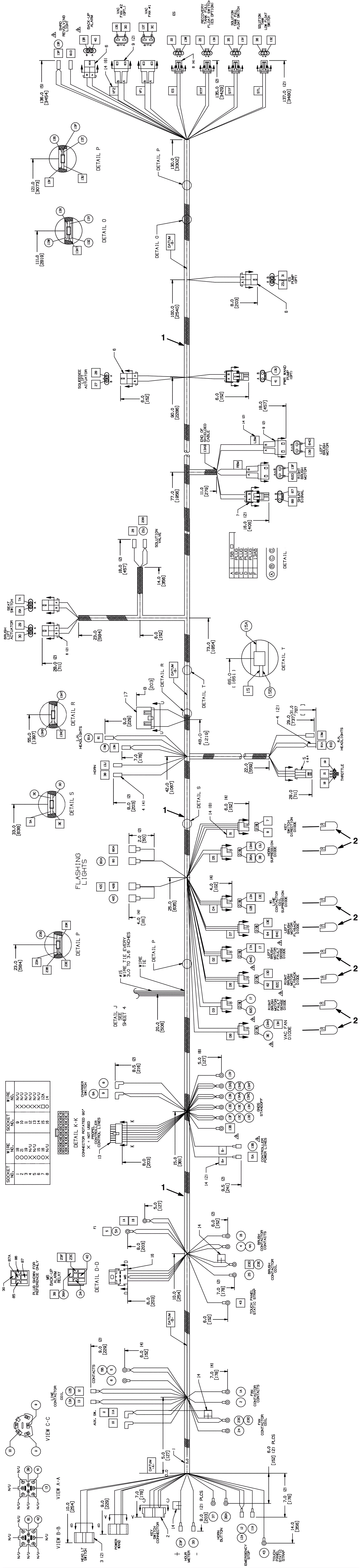
7100
Wire Harness Assembly - After SN 02699
Click to enlarge
#
Part
Description
Price
Req
Notes
Availability
1
475-4068
HARNESS, MAIN, 7100 [TNV XP]
$1,075.25
1
usually ships 10-13 days
2
175-2216
Diode plug
$14.19
8
usually ships 10-13 days