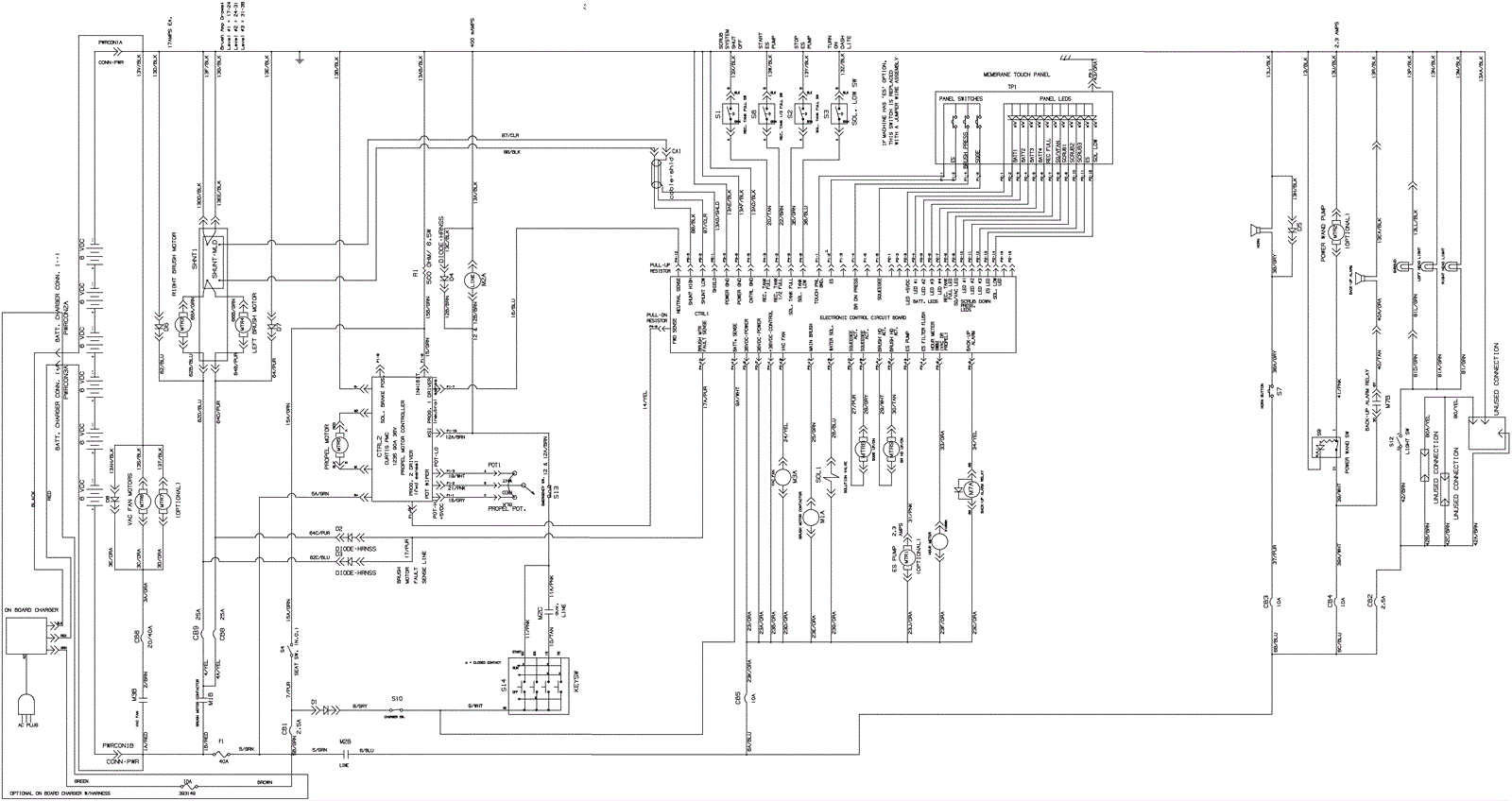
Electrical Diagram - After SN 02699
Click to enlarge